SKF23176CAK/W33*轴承详细参数

发布时间:2026-04-15
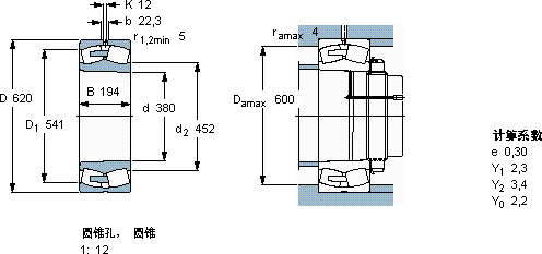
球面滚子轴承, 圆柱和圆锥孔, 圆锥型内孔, 无密封件
主要数据尺寸 基本负荷额定值 疲劳负荷限值 额定速度 体积 型号
动态 静态 参照速度 限制速度
d D B C C0 Pu * - SKF Explorer 轴承
mm kN kN r/min kg -
38062019444007100500560100022523176 CAK/W33 *

SKF23176CAK/W33*球面滚子轴承供应商

八零动力专业销售23176CAK/W33*球面滚子轴承,库存SKF23176CAK/W33*大量现货,与SKF合作,咨询热线:022-58519723业务咨询
SKF23176CAK/W33*制造工艺精湛,使得这款轴承的精度、稳定性和耐用性都非常出色它在机器人领域的应用,展现了它的高精密性 它的旋转精度,让高速运转成为现实 它的轴向跳动控制,确保了机械的平稳运行 不得不说,这款轴承的品质过硬,在行业内堪称典范,铸就卓越品质,,八零动力SKF球面滚子轴承品种全,价格优,质量有保证!

用户关注最多的SKF轴承型号

SKF23148CC/W33 SKF23152CCK/W33* SKF61940 SKF6222N SKF71906CD/HCP4A SKFC3092KM* SKFC7015DB/P7 SKFCR12886 SKFCR14391 SKFCR280x320x20CRWA1R SKFCR99423 SKFNU29/1060ECMA/HB1 SKFRLS5-2Z SKFSAW23526 SKFSC71920FB/P7

23176CAK/W33*球面滚子轴承近似的SKF轴承型号

SKF23176CAK/W33+OH3176H* SKF23176CAK/W33* SKF23176CAK/W33+AOH3176G* SKF23176CA/W33* SKF23176CAC/W33 SKF23176CAK/W33+AOH3176G*

用户关注最多的轴承狗热门型号

SKF  7009AC/DB RHP  7005C/DF LYC  EE126096DW/126150/126151D FAG  SNV240-L + 22322-E1-K + H2322 + TCV522 RHP  1305 SKF  SIKAC30M/VZ019 TIMKEN  300RJ91 NACHI  6218NSL NSK  7217BYDB SKF  C30/500KM/HA3C4* SKF  TVN213A TIMKEN  L521945/L521910D SNR  6003N INA  KTXO16 LYC  352216/W33

版权所有©2009-2015 轴承狗zcgou.com ICP备案:津ICP备14004550号-13