SKF230/750CA/W33*轴承详细参数

发布时间:2026-05-30
球面滚子轴承, 圆柱和圆锥孔, 圆柱型内孔, 无密封件
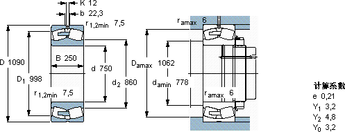
主要数据尺寸 基本负荷额定值 疲劳负荷限值 额定速度 体积 型号
动态 静态 参照速度 限制速度
d D B C C0 Pu * - SKF Explorer 轴承
mm kN kN r/min kg -
75010902509650186001100300530795230/750 CA/W33 *

SKF230/750CA/W33*球面滚子轴承供应商

八零动力专业销售230/750CA/W33*球面滚子轴承,库存SKF230/750CA/W33*大量现货,与SKF合作,咨询热线:022-58519723业务咨询
SKF230/750CA/W33*它的品质卓越,为机械设备的高效运行提供了坚实后盾旋转不息铸就卓越品质,高品质的轴承,在各种复杂工况下都能展现出卓越的性能表现它的高效率,让机械运转更加节能 高精度的制造工艺,造就了这款高品质的轴承,八零动力SKF球面滚子轴承品种全,价格优,质量有保证!

用户关注最多的SKF轴承型号

SKF23224CCK/W33+H2324 SKF23268CACK/W33+H3268 SKF2x7416GAM SKF7003C/DB SKF7203ACD/P4A SKFC2220K* SKFFSAFC2615 SKFGEZM108ES-2RS SKFNNC4940CV SKFNNU4984BK/SPW33 SKFNUP215ECJ* SKFPF20RM SKFS7012DB/P7 SKFSCF90ES SKFZW45x55

230/750CA/W33*球面滚子轴承近似的SKF轴承型号

SKF230/600CAK/W33+OH30/600H* SKF23072CC/W33* SKF23230-2CS5/VT143* SKF230/600CAK/W33* SKF230/800CAK/W33* SKF230/530CA/W33* SKF23022CC/W33* SKF23230-2CS5K/VT143* SKF23056CCK/W33+OH3056H* SKF23028-2CS5/VT143* SKF230/750CAK/W33* SKF230/800CAK/W33+AOH30/800*

用户关注最多的轴承狗热门型号

SKF  NNU41/900M/W33 LYC  23964 K/C3 国产  HK1612 INA  RCJ80 FAG  QJ332-N2-MPA SKF  21313EK+H313* MRC  7222B/DT STEYR  54226U SKF  SY1.3/8WF TIMKEN  635 /632-B LYC  NF 214 STEYR  6003-RS NSK  7340ADF SKF  71916ACD/P4A IKO  AZ15289

版权所有©2009-2015 轴承狗zcgou.com ICP备案:津ICP备14004550号-13