SKF23032-2CS5/VT143*轴承详细参数

发布时间:2026-05-29
球面滚子轴承, 圆柱和圆锥孔, 圆柱型内孔, 两面密封件
主要数据尺寸 基本负荷额定值 疲劳负荷限值 额定速度 体积 型号
动态 静态 参照速度 限制速度
d D B C C0 Pu * - SKF Explorer 轴承
mm kN kN r/min kg -
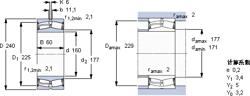
1602406058588083-6709,7023032-2CS5/VT143 *

SKF23032-2CS5/VT143*球面滚子轴承供应商

八零动力专业销售23032-2CS5/VT143*球面滚子轴承,库存SKF23032-2CS5/VT143*大量现货,与SKF合作,咨询热线:022-58519723业务咨询
SKF23032-2CS5/VT143*轴承的稳定性和可靠性表现出色,赢得了用户的高度认可要设备更出色它的每一次转动,都是对效率的极致追求 这款轴承的性能卓越,有效提升了设备的整体性能和可靠性设计独特的轴承,不仅性能优越,还具有很高的性价比它的耐高温性能,让它在极端环境下依然稳定运行 ,八零动力SKF球面滚子轴承品种全,价格优,质量有保证!

用户关注最多的SKF轴承型号

SKF3311A-2Z/MT33* SKF33216/Q SKF5207E-2Z SKF7016ACD/P4A SKFCR34X48X8HMS5V SKFCR38x56x8CRW1V SKFHE308E SKFNCF2934CV SKFNCF29/750V SKFNK85/35 SKFOKBS41 SKFOKC760 SKFSNP3180x14.15/16 SKFSYR2.3/4H-3 SKFVJ-PDNB317

23032-2CS5/VT143*球面滚子轴承近似的SKF轴承型号

SKF23032CC/W33* SKF23032-2CS5/VT143* SKF23032-2CS5K/VT143* SKF23032CCK/W33* SKF23032CCK/W33+H3032* SKF23032CCK/W33+AH3032* SKF23032-2CS5K/VT143* SKF23032CCK/33+H3032

用户关注最多的轴承狗热门型号

LYC  81268/P5 FAG  BND3084-H-C-Y-BL-S LYC  6224 E/P63 SKF  CR7251 SKF  3304A-2RS1 LYC  3519/950/P5 RHP  7221B/DB SKF  AXK120155 INA  NA69/28 TORRINGTON  22348CCK/W33 SKF  SYE3.H SKF  CR14X28X7HMSA10RG TIMKEN  41100/41286 FAG  SNV110-L + 22212-E1-K + H312X202 + TCV512X202 国产  29424

版权所有©2009-2015 轴承狗zcgou.com ICP备案:津ICP备14004550号-13