SKF23084CA/W33*轴承详细参数

发布时间:2026-05-29
球面滚子轴承, 圆柱和圆锥孔, 圆柱型内孔, 无密封件
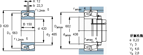
主要数据尺寸 基本负荷额定值 疲劳负荷限值 额定速度 体积 型号
动态 静态 参照速度 限制速度
d D B C C0 Pu * - SKF Explorer 轴承
mm kN kN r/min kg -
42062015034006000415600110015523084 CA/W33 *

SKF23084CA/W33*球面滚子轴承供应商

八零动力专业销售23084CA/W33*球面滚子轴承,库存SKF23084CA/W33*大量现货,与SKF合作,咨询热线:022-58519723业务咨询
SKF23084CA/W33*轴承的选材精良,确保了其具有良好的耐磨性和抗腐蚀性它的长寿命,减少了更换频率 就是选择高效与可靠旋转无忧它的疲劳强度,确保了长期使用的可靠性 它的轴向跳动控制,确保了机械的平稳运行 ,八零动力SKF球面滚子轴承品种全,价格优,质量有保证!

用户关注最多的SKF轴承型号

SKF23230CCK/W33+AHX3230G* SKF294/950EF SKF2x7415BGBM SKF51202V/HR22T2 SKF52313 SKF535/532A SKF61888MA SKFCR25091 SKFCR55X68X8HMSA10RG SKFN28/630MB SKFNN3026KTN9/SP SKFPF1.1/16TF SKFQJ313MA* SKFS71910ACD/P4A SKFUCP204

23084CA/W33*球面滚子轴承近似的SKF轴承型号

SKF23084CAK/W33+OH3084H* SKF23084CA/W33* SKF23084CAK/W33+AOH3084G* SKF23084CAK/W33* SKF23084CA/W33 SKF230/850CA/W33

用户关注最多的轴承狗热门型号

TIMKEN  EE776430/776520 KOYO  22311RHR FLT  N206 INA  RNAO20X28X26-ZW-ASR1 GMN  7220AC SKF  23256CACK/W33 SKF  594/592A/Q LYC  4644922 FAG  SNV080-L + 20208-K-TVP-C3 + H208 + TSV508 SKF  234719B GMN  7221AC/DT SKF  CR15076 SKF  QJ212N2MA FAG  HC7004-E-T-P4S LYC  51156

版权所有©2009-2015 轴承狗zcgou.com ICP备案:津ICP备14004550号-13