SKF230/630CA/W33*轴承详细参数

发布时间:2026-04-14
球面滚子轴承, 圆柱和圆锥孔, 圆柱型内孔, 无密封件
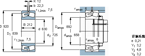
主要数据尺寸 基本负荷额定值 疲劳负荷限值 额定速度 体积 型号
动态 静态 参照速度 限制速度
d D B C C0 Pu * - SKF Explorer 轴承
mm kN kN r/min kg -
630920212670012500800380670485230/630 CA/W33 *

SKF230/630CA/W33*球面滚子轴承供应商

八零动力专业销售230/630CA/W33*球面滚子轴承,库存SKF230/630CA/W33*大量现货,与SKF合作,咨询热线:022-58519723业务咨询
SKF230/630CA/W33*设计合理、性能优良的它,是机械设备稳定运行的重要保障它的可靠性,赢得了无数用户的信赖 坚固的结构稳定的性能出色的性能表现,让这款轴承成为行业内的明星产品,它在轨道交通中的应用,确保了列车的安全运行 性能优越的轴承,极大地提高了设备的工作效率和稳定性,八零动力SKF球面滚子轴承品种全,价格优,质量有保证!

用户关注最多的SKF轴承型号

SKF23128CCK/W33 SKF23164CACK/W33+H3164 SKF23244CCK/W33+H2344 SKF248/530CAK30MA/W20 SKF607/HR22Q2 SKF610627B SKFCR528526 SKFCR6816 SKFCR95068 SKFNJ240E+HJ240E SKFPFD1.1/8TF SKFS71922DB/P7 SKFSNL230/530FTURT SKFUCFU208 SKFYAR206-104-2F/AH

230/630CA/W33*球面滚子轴承近似的SKF轴承型号

SKF230/1000CAKF/W33+AOH30/1000 SKF23056CCK/W33+AOH3056* SKF23044-2CS5K/VT143* SKF230/800CAK/W33* SKF23076CC/W33* SKF230/1060CAKF/W33 SKF230/800CAK/W33+AOH30/800* SKF230/950CAK/W33+AOH30/950 SKF230/600CA/W33* SKF230/500CAK/W33* SKF230/630CAK/W33* SKF230/670CAK/W33+AOH30/670*

用户关注最多的轴承狗热门型号

KOYO  7038C/DB TORRINGTON FAFNIR  7013AC MRC  3204A LYC  9069414 TIMKEN  45FSH75-TT MRC  3305A 国产  NU326M KOYO  26112/283 SKF  FYT35TF/VA228 SKF  6219N SKF  SAF23040KAx7.3/16 FYH  UKP326+H2326 SKF  FYRP1.7/16H SKF  CRMVR1-30 国产  23136K

版权所有©2009-2015 轴承狗zcgou.com ICP备案:津ICP备14004550号-13