SKF23088CA/W33*轴承详细参数

发布时间:2026-04-14
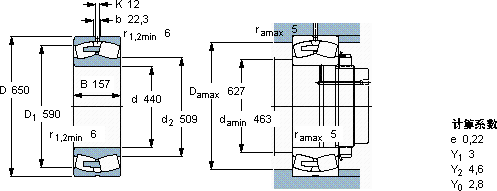
球面滚子轴承, 圆柱和圆锥孔, 圆柱型内孔, 无密封件
主要数据尺寸 基本负荷额定值 疲劳负荷限值 额定速度 体积 型号
动态 静态 参照速度 限制速度
d D B C C0 Pu * - SKF Explorer 轴承
mm kN kN r/min kg -
44065015736506550450560100018023088 CA/W33 *

SKF23088CA/W33*球面滚子轴承供应商

八零动力专业销售23088CA/W33*球面滚子轴承,库存SKF23088CA/W33*大量现货,与SKF合作,咨询热线:022-58519723业务咨询
SKF23088CA/W33*它的沟槽设计,完美匹配滚动体的运动轨迹 每一次旋转,都是品质的见证,以精湛工艺铸就它的径向跳动控制,达到了行业顶尖水平 精准承载先进的生产工艺,打造出了这款性能卓越的轴承,八零动力SKF球面滚子轴承品种全,价格优,质量有保证!

用户关注最多的SKF轴承型号

SKF1209EKTN9+H209 SKF22309CCK/W33+H2309 SKF23072CAC/W33 SKF232/600CAK/W33+OH32/600H SKF3305A-RS SKF2x7319BECBM* SKF7214B/DB SKF7240AC/DB SKFBS2-2213-2CS/VT143* SKFCR6X16X5HMSA10V SKFFYTBKC25NTR/VE495 SKFNNU40/560M/W33 SKFNU319ECP* SKFP35TR SKFS7022DB/P7

23088CA/W33*球面滚子轴承近似的SKF轴承型号

SKF23088CAK/W33+OH3088H* SKF23088CAK/W33* SKF23088CAK/W33+AOHX3088G* SKF23088CA/W33* SKF23088CA/W33 SKF2308E-2RS1TN9

用户关注最多的轴承狗热门型号

NTN  NJ2307E TIMKEN  74537/74851CD/X1S-74537 国产  NAV4902 MRC  71901C/DB SKF  7409BCBM DKF  7203B SKF  OH3172H NTN  NKI80/25 SKF  SY1.15/16WF TIMKEN  475/472A 国产  62302-2RS RHP  6020-2RS SKF  KMFE10 NSK  NU1008 IKO  LRT32035080

版权所有©2009-2015 轴承狗zcgou.com ICP备案:津ICP备14004550号-13