SKF23032CCK/W33+AH3032*轴承详细参数

发布时间:2026-04-15
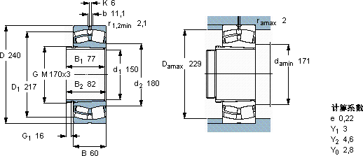
球面滚子轴承, 带退卸套的
主要数据尺寸 基本负荷额定值 疲劳负荷限值 额定速度 体积 型号
动态 静态 参照速度 限制速度 轴承 +退卸套
d1 D B C C0 Pu
* - SKF Explorer 轴承
mm kN kN r/min kg -
15024060585880832400300011,523032 CCK/W33 + AH 3032 *

SKF23032CCK/W33+AH3032*球面滚子轴承供应商

八零动力专业销售23032CCK/W33+AH3032*球面滚子轴承,库存SKF23032CCK/W33+AH3032*大量现货,与SKF合作,咨询热线:022-58519723业务咨询
SKF23032CCK/W33+AH3032*它在医疗设备中的应用,确保了设备的稳定性 出色的性能表现,让这款轴承成为行业内的明星产品,先进的生产工艺,打造出了这款性能卓越的轴承顺滑无声它在纺织机械中的应用,确保了设备的高速运转 它的表面硬化处理,延长了它的使用寿命 ,八零动力SKF球面滚子轴承品种全,价格优,质量有保证!

用户关注最多的SKF轴承型号

SKF2x7320BEGBY SKF33021/Q SKF6007-2RS SKF618/1500TN SKF6308-2RZ* SKF7314B/DT SKFCR12386 SKFCR400x440x20HDS1V SKFCR90017 SKFNJ211E+HJ211E SKFNNCL4848CV SKFS7015ACD/HCP4A SKFSNL3176L SKFSYNT75FTS SKFSYR2.3/4-3

23032CCK/W33+AH3032*球面滚子轴承近似的SKF轴承型号

SKF23032CCK/W33* SKF23032CCK/W33+H3032* SKF23032CC/W33* SKF23032CCK/W33+AH3032* SKF23032-2CS5K/VT143* SKF23032-2CS5/VT143* SKF23032CCK/W33* SKF23032CCK/W33+H3032*

用户关注最多的轴承狗热门型号

MAC  NJ314 LYC  NAV 4013 MRC  61921 INA  HFL0308-KF SKF  24180ECAK30/W33+AOH24180* NACHI  420KBE131 FAG  SNV215-L + 21320-E1-K-TVPB + H320 + TSV620 BARDEN  7001C TIMKEN  EE291201/291751CD+X1S-291201 NSK  NU2224EM KOYO  7314C 国产  7205CETA IKO  KT323920 IKO  RNAST6R IKO  AZ17309

版权所有©2009-2015 轴承狗zcgou.com ICP备案:津ICP备14004550号-13