SKF230/560CA/W33*轴承详细参数

发布时间:2026-05-30
球面滚子轴承, 圆柱和圆锥孔, 圆柱型内孔, 无密封件
主要数据尺寸 基本负荷额定值 疲劳负荷限值 额定速度 体积 型号
动态 静态 参照速度 限制速度
d D B C C0 Pu * - SKF Explorer 轴承
mm kN kN r/min kg -
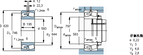
560820195560010200680430750355230/560 CA/W33 *

SKF230/560CA/W33*球面滚子轴承供应商

八零动力专业销售230/560CA/W33*球面滚子轴承,库存SKF230/560CA/W33*大量现货,与SKF合作,咨询热线:022-58519723业务咨询
SKF230/560CA/W33*承载未来它在航空航天领域的应用,展现了它的高可靠性 轴承的稳定性和可靠性表现出色,赢得了用户的高度认可它的滚动体与沟槽的配合,堪称完美 先进的生产工艺,让这款轴承的性能得到了极大提升顺滑无声,八零动力SKF球面滚子轴承品种全,价格优,质量有保证!

用户关注最多的SKF轴承型号

SKF208-Z SKF594/592A/Q SKF619/7-2Z SKFBT2B332931 SKFBT2B334085/HA1VA901 SKFCR2025250 SKFCR25096 SKFCR32X44X7HMS5V SKFCR35X47X7HMS5RG SKFCR95X110X9CRS1R SKFHM261049/010 SKFLM283649/610/HAI SKFN204ECP SKFOH3064H SKFS71920FB/P7

230/560CA/W33*球面滚子轴承近似的SKF轴承型号

SKF22309E/VA405* SKF230/630CAK/W33+AOH30/630* SKF23230CC/W33* SKFBS2-2309-2CS/VT143* SKF230/800CAK/W33+OH30/800H* SKF23080CCK/W33+OH3080H* SKF23048-2CS5/VT143* SKF22230CC/W33* SKF23028CCK/W33+AHX3028* SKF230/850CA/W33 SKF230/560CAK/W33* SKF230/600CAK/W33+AOH30/600*

用户关注最多的轴承狗热门型号

LYC  23280/C4W33 国产  6000-2RS GMN  7215C/DT STEYR  54414U KOYO  2794R/35X TORRINGTON  24026CC/W33 KOYO  7408 TIMKEN  L624549/L624510-B GMN  7022AC/DT SKF  SYNT35LW FYH  UK313+H2313 NACHI  24032AXW33 INA  TSNW50 INA  PAP1015-P20 FAG  BND2232-Z-Y-AF-S

版权所有©2009-2015 轴承狗zcgou.com ICP备案:津ICP备14004550号-13