SKF23028CC/W33*轴承详细参数

发布时间:2026-05-31
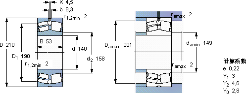
球面滚子轴承, 圆柱和圆锥孔, 圆柱型内孔, 无密封件
主要数据尺寸 基本负荷额定值 疲劳负荷限值 额定速度 体积 型号
动态 静态 参照速度 限制速度
d D B C C0 Pu * - SKF Explorer 轴承
mm kN kN r/min kg -
1402105346568068260034006,5523028 CC/W33 *

SKF23028CC/W33*球面滚子轴承供应商

八零动力专业销售23028CC/W33*球面滚子轴承,库存SKF23028CC/W33*大量现货,与SKF合作,咨询热线:022-58519723业务咨询
SKF23028CC/W33*高品质的轴承,在复杂工况下也能展现出卓越的性能出色的性能表现,让这款轴承成为行业内的明星产品,转动世界的精密之选,它的轻量化设计,减少了材料的使用 持久转动性能优越的轴承,极大地提高了设备的工作效率和稳定性,八零动力SKF球面滚子轴承品种全,价格优,质量有保证!

用户关注最多的SKF轴承型号

SKF2310 SKF23168CCK/W33+OH3168H* SKF23192CAC/W33 SKF510/1000M SKF54317U SKF7084BGM SKFHE3038 SKFKMT32 SKFNJ2307E SKFNNCL4844CV SKFNU316ECM* SKFSAL40TXE-2LS SKFSNL3264L SKFSNL3288GL SKFSYE2.11/16H-3

23028CC/W33*球面滚子轴承近似的SKF轴承型号

SKF23028-2CS5K/VT143* SKF23028CC/W33* SKF23028CCK/W33* SKF23028CCK/W33+H3028* SKF23028CCK/W33+AHX3028* SKF23028-2CS5/VT143* SKF23028CC/W33 SKF2302E-2RS1TN9

用户关注最多的轴承狗热门型号

SKF  SYR1.7/16 FAG  NJ2317-E-TVP2 + HJ2317E LYC  NJ 312 E SKF  2x7208BECBM* NSK  55BNR20XV1V FAG  SNV100-L + 22211-E1-K + H311X200 + TSV511X200 KOYO  NJ2217E NSK  7221BDB SKF  CR33712 KOYO  61905 TIMKEN  K40X45X17CH SKF  62209-2RS1 国产  NJ316M NTN  71911C/DB KOYO  7320AC

版权所有©2009-2015 轴承狗zcgou.com ICP备案:津ICP备14004550号-13