SKF230/1250CAF/W33轴承详细参数

发布时间:2026-04-14
球面滚子轴承, 圆柱和圆锥孔, 圆柱型内孔, 无密封件
主要数据尺寸 基本负荷额定值 疲劳负荷限值 额定速度 体积 型号
动态 静态 参照速度 限制速度
d D B C C0 Pu
mm kN kN r/min kg -
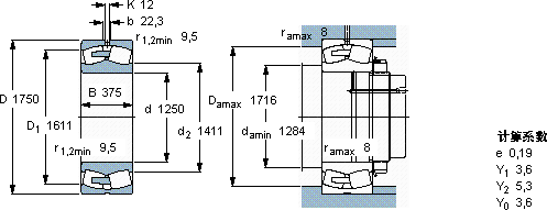
12501750375179004500024001302402840230/1250 CAF/W33

SKF230/1250CAF/W33球面滚子轴承供应商

八零动力专业销售230/1250CAF/W33球面滚子轴承,库存SKF230/1250CAF/W33大量现货,与SKF合作,咨询热线:022-58519723业务咨询
SKF230/1250CAF/W33轴承的选材精良,确保了其具有良好的耐磨性和抗腐蚀性成就非凡转动体验让您的设备一顺到底,它的耐用性,赢得了无数用户的信赖 铸就卓越品质,它的使用寿命,远超同类产品 它的微观表面处理,减少了摩擦和磨损 ,八零动力SKF球面滚子轴承品种全,价格优,质量有保证!

用户关注最多的SKF轴承型号

SKF230/1060CAK/W33+OH30/1060H SKF3200A-2RS1TN9/MT33 SKF709CD/HCP4A SKF71911CE/HCP4A SKF71916CE/P4A SKF71917FB/P7 SKFBT4B332659/HA1 SKFCR17X32X7HMSA10RG SKFCR420x460x20HS7R SKFGS81113 SKFNA6901 SKFNJ207ECPH* SKFSAF1310 SKFSYH1.1/8FM SKFYAR205-015-2F

230/1250CAF/W33球面滚子轴承近似的SKF轴承型号

SKF23036CC/W33* SKF23052CCK/W33+AOH3052* SKF23096CAK/W33+OH3096H* SKF23068CCK/W33* SKF23036CCK/W33+H3036* SKF23088CAK/W33+AOHX3088G* SKF23060CCK/W33+OH3060H* SKF23024CCK/W33* SKF23072CC/W33* SKF23028CCK/W33* SKF230/1060CAKF/W33 SKF230/1250CAKF/W33

用户关注最多的轴承狗热门型号

NTN  NK10/16 NSK  NN3036MBKR NTN  NJ2204E SKF  FYJ90TF FAG  SNV140-L + 22216-E1-K + H316X214 + FSV516X214 MRC  61921 TORRINGTON FAFNIR  6309-ZN FAG  SNV140-L + 20313-K-MB-C3 + H313X204 + TCV613X204 TIMKEN  18685/18620-B INA  NRB4X13,8-G2 STEYR  7306B/DB INA  RMWE9A-RB/79x../28 SKF  71944C/DF LYC  FC4054170/P64 YA IKO  LWHT15...B

版权所有©2009-2015 轴承狗zcgou.com ICP备案:津ICP备14004550号-13