SKF23076CCK/W33+OH3076H*轴承详细参数

发布时间:2026-04-14
球面滚子轴承, 带紧定套的
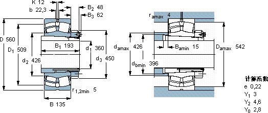
主要数据尺寸 基本负荷额定值 疲劳负荷限值 额定速度 体积 型号
动态 静态 参照速度 限制速度 轴承 + 紧定套
d1 D B C C0 Pu
* - SKF Explorer 轴承
mm kN kN r/min kg -
36056013529005000360900120014523076 CCK/W33 + OH 3076 H *

SKF23076CCK/W33+OH3076H*球面滚子轴承供应商

八零动力专业销售23076CCK/W33+OH3076H*球面滚子轴承,库存SKF23076CCK/W33+OH3076H*大量现货,与SKF合作,咨询热线:022-58519723业务咨询
SKF23076CCK/W33+OH3076H*精密与耐用的完美结合,引领行业速度,我们的轴承始终稳如磐石它的可靠性,赢得了无数用户的信赖 先进的生产工艺,打造出了这款性能卓越的轴承这轴承的设计精妙,充分考虑了各种实际应用需求它在食品机械中的应用,展现了它的卫生性能 ,八零动力SKF球面滚子轴承品种全,价格优,质量有保证!

用户关注最多的SKF轴承型号

SKF307101C SKF6217-2Z/VA208 SKF71918C/DF SKFC30/710KM* SKFC71910FB/P7 SKFCR18X35X7HMSA10V SKFCR80X110X10HMS5RG SKFFYR2.3/16H SKFIR22x28x20 SKFNJ2305E+HJ2305E SKFNK90/25 SKFNUP19/670ECMA SKFSDAF22226 SKFSIR80ES SKFSONL238-538

23076CCK/W33+OH3076H*球面滚子轴承近似的SKF轴承型号

SKF23076CCK/W33+AOH3076G* SKF23076CCK/W33* SKF23076CC/W33* SKF23076CCK/W33+OH3076H* SKF23076CCK/W33+AOH3076G* SKF23076CC/W33

用户关注最多的轴承狗热门型号

LYC  NU 10/560 M/C3 SNR  31305 NACHI  63/28-2NKE RHP  71928AC KOYO  3305A-2Z NTN  7310AC/DT 国产  NUP307NM/C9 NTN  NN4930K KOYO  7214B KOYO  61848 KOYO  NU313 STEYR  NU1020 SKF  BC4-8013/HA4 LYC  N 2332 EM/YA IKO  CF6WBR

版权所有©2009-2015 轴承狗zcgou.com ICP备案:津ICP备14004550号-13