SKF22309EK+H2309*轴承详细参数

发布时间:2026-05-30
球面滚子轴承, 带紧定套的
主要数据尺寸 基本负荷额定值 疲劳负荷限值 额定速度 体积 型号
动态 静态 参照速度 限制速度 轴承 + 紧定套
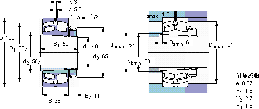
d1 D B C C0 Pu
* - SKF Explorer 轴承
mm kN kN r/min kg -
401003618318319,6530070001,7022309 EK + H 2309 *

SKF22309EK+H2309*球面滚子轴承供应商

八零动力专业销售22309EK+H2309*球面滚子轴承,库存SKF22309EK+H2309*大量现货,与SKF合作,咨询热线:022-58519723业务咨询
SKF22309EK+H2309*这轴承的设计简直精妙绝伦,每一处细节都彰显着极致的工艺美学优秀的设计和卓越的性能,让这款轴承备受青睐这款轴承的精度极高,能够满足对精度要求苛刻的设备它的长寿命,减少了资源浪费 精密与耐用的完美结合,该轴承的性能优越,极大地提高了设备的工作效率,八零动力SKF球面滚子轴承品种全,价格优,质量有保证!

用户关注最多的SKF轴承型号

SKF53210 SKF6003-2RSL* SKF6311-2ZNR* SKFBCRB326244 SKFBCSB322213CC SKFC71916DB/P7 SKFCR14391 SKFCR60X85X10HMSA10RG SKFFYJ65KF SKFFYT2.3/16FM SKFGS81256 SKFQJ219N2MA* SKFS71921CD/HCP4A SKFSAKAC25M SKFYET205-014CW

22309EK+H2309*球面滚子轴承近似的SKF轴承型号

SKF22309E/VA405* SKF22309EK+AH2309* SKF22309E* SKF22309EK* SKF22309EK+H2309* SKF22309EK+AH2309* SKF22309E/VA405

用户关注最多的轴承狗热门型号

FAG  BND3244-H-C-T-BL-S RHP  6019-2RS TIMKEN  HM237536/HM237510CD/HM237535XB INA  SD25X35X4 KOYO  61828 SKF  CR37403 INA  NATV25 SKF  MB12A NACHI  NJ240E LYC  BT2B328283A/HA1 FAG  SNV100-L + 1309-K-TVH-C3 + H309X108 + DH609X107 FAG  AH241/670G-H LYC  32936 LYC  6008 E-2RZ IKO  GE50GS-2RS

版权所有©2009-2015 轴承狗zcgou.com ICP备案:津ICP备14004550号-13