SKF22312EK+H2312*轴承详细参数

发布时间:2026-04-14
球面滚子轴承, 带紧定套的
主要数据尺寸 基本负荷额定值 疲劳负荷限值 额定速度 体积 型号
动态 静态 参照速度 限制速度 轴承 + 紧定套
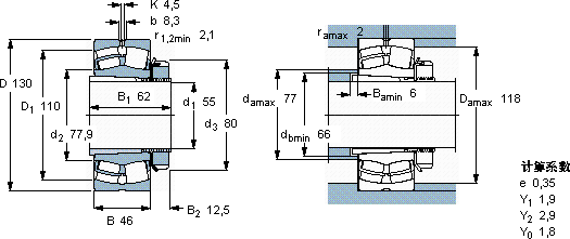
d1 D B C C0 Pu
* - SKF Explorer 轴承
mm kN kN r/min kg -
551304631033536,5400053003,5022312 EK + H 2312 *

SKF22312EK+H2312*球面滚子轴承供应商

八零动力专业销售22312EK+H2312*球面滚子轴承,库存SKF22312EK+H2312*大量现货,与SKF合作,咨询热线:022-58519723业务咨询
SKF22312EK+H2312*设计合理、性能优良的轴承,是机械设备的理想之选旋转无忧这轴承的稳定性极佳,在高速运转时也能保持良好状态它在农业机械中的应用,展现了它的耐用性 它在纺织机械中的应用,确保了设备的高速运转 优秀的轴承,就像精密仪器的心脏,确保着整个系统的高效运转,八零动力SKF球面滚子轴承品种全,价格优,质量有保证!

用户关注最多的SKF轴承型号

SKF21319CCK SKF22224CC/W33 SKF230/750CAK/W33+AOH30/750* SKF32956 SKF33115/QDFC150 SKF6205-2ZNR* SKFCR120X150X12HMSA10V SKFCR38694 SKFCR85X130X12HMSA10V SKFNJ230ECM* SKFNKXR45 SKFNU204ECP SKFNU308ECJ* SKFOH3088H SKFSAF22632x5.1/2

22312EK+H2312*球面滚子轴承近似的SKF轴承型号

SKF22312E/W64* SKF22312E/VA405* SKF22312EK/VA405* SKF22312EK+H2312* SKF22312E* SKF22312EK+AHX2312* SKF22312EK* SKF22312EK+AHX2312* SKF22312EK/VA405*

用户关注最多的轴承狗热门型号

SKF  SNW6x15/16 SKF  24092ECA/W33 NSK  7904A5TYNP5 INA  NKX70-Z LYC  6005 E-2RS/C3LHT INA  KSR15-B0-12-10-13-08 ASAHI  UCFLU305 LYC  32216/YB NSK  230/670CAMKE4 STEYR  1317K+H317 SKF  NNU4976/W33 SKF  CR28779 NTN  NUP2324E KOYO  23084CACK/W33 FAG  SNV280-L + 20326-MB + DHV326

版权所有©2009-2015 轴承狗zcgou.com ICP备案:津ICP备14004550号-13