SKF22312E*轴承详细参数

发布时间:2026-04-14
球面滚子轴承, 圆柱和圆锥孔, 圆柱型内孔, 无密封件
主要数据尺寸 基本负荷额定值 疲劳负荷限值 额定速度 体积 型号
动态 静态 参照速度 限制速度
d D B C C0 Pu * - SKF Explorer 轴承
mm kN kN r/min kg -
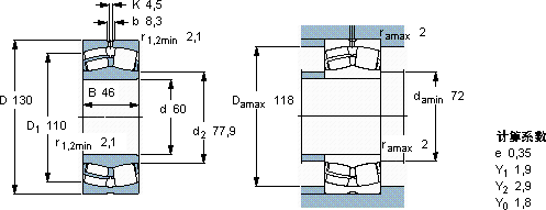
601304631033536,5400053003,1022312 E *

SKF22312E*球面滚子轴承供应商

八零动力专业销售22312E*球面滚子轴承,库存SKF22312E*大量现货,与SKF合作,咨询热线:022-58519723业务咨询
SKF22312E*承载未来轴承的选材优质,确保了其在各种环境下都能稳定工作它在化工设备中的应用,展现了它的耐腐蚀性 始终顺滑如初,它的沟槽设计,完美匹配滚动体的运动轨迹 轴承的稳定性和可靠性都十分出色,赢得了用户的信赖,八零动力SKF球面滚子轴承品种全,价格优,质量有保证!

用户关注最多的SKF轴承型号

SKF13948 SKF22240CCK/W33+AH2240* SKF23032-2CS5/VT143* SKF239/750CAK/W33+OH39/750H* SKF313639A/VJ202 SKF71912ACD/HCP4A SKF7218B/DT SKF7219CD/P4A SKF7340B/DT SKFCR240x280x16HDS2D SKFCR45X62X10HMS5RG SKFCR70080 SKFS71917ACD/P4A SKFYAR209-108-2F SKFYAR215-212-2F/AH

22312E*球面滚子轴承近似的SKF轴承型号

SKF22312E/VA405* SKF22312EK+AHX2312* SKF22312EK/VA405* SKF22312E* SKF22312EK+H2312* SKF22312E/W64* SKF22312EK* SKF22312CC/W33 SKF22312EK*

用户关注最多的轴承狗热门型号

NTN  N214 LYC  23252 CAK SKF  FSNL519TURU SKF  313191 LYC  20314/C3 LYC  24148/C3W33 INA  GYE45-KRR-B-VA TIMKEN  EE420751/421451CD/X2S-420750 RHP  7001C/DT NSK  683AZZ INA  GE65-214-KTT-B KOYO  NU1068 FAG  SNV085-L + 20209-K-TVP-C3 + H209X108 + DHV509X108 INA  PAP8080-P14 NACHI  NJ2312

版权所有©2009-2015 轴承狗zcgou.com ICP备案:津ICP备14004550号-13