SKF22234-2CS5/VT143*轴承详细参数

发布时间:2026-04-30
球面滚子轴承, 圆柱和圆锥孔, 圆柱型内孔, 两面密封件
主要数据尺寸 基本负荷额定值 疲劳负荷限值 额定速度 体积 型号
动态 静态 参照速度 限制速度
d D B C C0 Pu * - SKF Explorer 轴承
mm kN kN r/min kg -
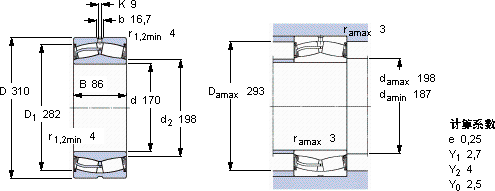
1703108611201460134-50028,522234-2CS5/VT143 *

SKF22234-2CS5/VT143*球面滚子轴承供应商

八零动力专业销售22234-2CS5/VT143*球面滚子轴承,库存SKF22234-2CS5/VT143*大量现货,与SKF合作,咨询热线:022-58519723业务咨询
SKF22234-2CS5/VT143*它在航空航天领域的应用,展现了它的高可靠性 它的抗压强度,让它承载能力惊人 它的轻量化设计,减少了材料的使用 它在船舶工业中的应用,展现了它的耐腐蚀性 高品质的轴承,在各种复杂环境下都能稳定发挥作用为您的工程保驾护航,,八零动力SKF球面滚子轴承品种全,价格优,质量有保证!

用户关注最多的SKF轴承型号

SKF21308CC SKF22209E* SKF32209J2/Q SKF51140M SKF7018CE/P4A SKF7308BEGBM* SKFBFSB353320/HA4 SKFC7007DB/P7 SKFCR405504 SKFCR65x100x8CRW1R SKFFYRP1.1/2H-18 SKFNNF5022ADA-2LSV SKFOKC510 SKFS71908FB/P7 SKFSYE2.15/16N-118

22234-2CS5/VT143*球面滚子轴承近似的SKF轴承型号

SKF22234CCK/W33+AH3134G* SKF22234-2CS5K/VT143* SKF22234-2CS5/VT143* SKF22234CC/W33* SKF22234CCK/W33+H3134* SKF22234CCK/W33* SKF22234-2CS5K/VT143* SKF22234CCK/W33

用户关注最多的轴承狗热门型号

NSK  6010T1XZZ TIMKEN  861/854-B FAG  30240-A FAG  SNV230-L + 23226-E1-K-TVPB + H2326X407 + DH526X407 KOYO  6006NR SKF  CR22X32X7HMS5V NTN  NJ322E KINGON  K2×4×2 INA  GAKL5-PB SKF  22224CCK/W33+H3124 SKF  CR105x130x12CRW1R SNR  7338AC LYC  6305 E/P53Z2 INA  KWVE15-B SKF  AOH2356G

版权所有©2009-2015 轴承狗zcgou.com ICP备案:津ICP备14004550号-13