SKF22234CCK/W33+H3134*轴承详细参数

发布时间:2026-05-30
球面滚子轴承, 带紧定套的
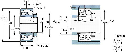
主要数据尺寸 基本负荷额定值 疲劳负荷限值 额定速度 体积 型号
动态 静态 参照速度 限制速度 轴承 + 紧定套
d1 D B C C0 Pu
* - SKF Explorer 轴承
mm kN kN r/min kg -
15031086112014601321900260036,022234 CCK/W33 + H 3134 *

SKF22234CCK/W33+H3134*球面滚子轴承供应商

八零动力专业销售22234CCK/W33+H3134*球面滚子轴承,库存SKF22234CCK/W33+H3134*大量现货,与SKF合作,咨询热线:022-58519723业务咨询
SKF22234CCK/W33+H3134*引领行业速度,我们的轴承始终稳如磐石先进的生产工艺,让这款轴承的性能得到了极大提升它的静音设计,让机械运转如丝般顺滑 您值得拥有它的长寿命,减少了资源浪费 性能优越的轴承,极大地提升了设备的工作性能和效率,八零动力SKF球面滚子轴承品种全,价格优,质量有保证!

用户关注最多的SKF轴承型号

SKF2208E-2RS1TN9 SKF2x7316BECBM* SKF3210A-2Z/MT33* SKF3212A-2Z/MT33* SKF33015/Q SKF53222U SKF618/560 SKF7319BEP SKFAN16 SKFBC4B457956VCE SKFCR1650259 SKFHA215 SKFRMS12 SKFRNA4908 SKFYAR206-2FW/VA201

22234CCK/W33+H3134*球面滚子轴承近似的SKF轴承型号

SKF22234CC/W33* SKF22234CCK/W33+H3134* SKF22234CCK/W33+AH3134G* SKF22234-2CS5/VT143* SKF22234CCK/W33* SKF22234-2CS5K/VT143* SKF22234CCK/W33+AH3134G* SKF22234CC/W33

用户关注最多的轴承狗热门型号

SNR  30219 NSK  BL222 SKF  FYRP2.11/16H-3 FAG  BND2230-H-C-Y-BL-S SKF  6301-2Z SKF  CR60X95X10HMSA10RG KOYO  452/950 LYC  L 45449/L45410 SKF  6022N ZKL  N208 NTN  N1044 TIMKEN  LM121349/LM121310 FAG  BND3044-Z-Y-AF-S NACHI  SN616F IKO  PHS3

版权所有©2009-2015 轴承狗zcgou.com ICP备案:津ICP备14004550号-13