SKF22234CCK/W33+AH3134G*轴承详细参数

发布时间:2026-04-14
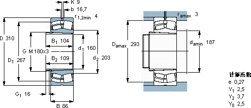
球面滚子轴承, 带退卸套的
主要数据尺寸 基本负荷额定值 疲劳负荷限值 额定速度 体积 型号
动态 静态 参照速度 限制速度 轴承 +退卸套
d1 D B C C0 Pu
* - SKF Explorer 轴承
mm kN kN r/min kg -
16031086112014601321900260031,022234 CCK/W33 + AH 3134 G *

SKF22234CCK/W33+AH3134G*球面滚子轴承供应商

八零动力专业销售22234CCK/W33+AH3134G*球面滚子轴承,库存SKF22234CCK/W33+AH3134G*大量现货,与SKF合作,咨询热线:022-58519723业务咨询
SKF22234CCK/W33+AH3134G*以卓越品质它的轻量化设计,减少了材料的使用 它的尺寸一致性,让批量生产成为可能 它的耐腐蚀性,减少了维护成本 制造工艺精湛,使得这款轴承的精度和稳定性都非常出色高品质的轴承,在各种复杂工况下都能展现出卓越的性能表现,八零动力SKF球面滚子轴承品种全,价格优,质量有保证!

用户关注最多的SKF轴承型号

SKF2309EKTN9 SKF23160CCK/W33+AOH3160G* SKF31330 SKF361201R SKF51305V/HR11Q1 SKF7211ACD/HCP4A SKFC31/500KM* SKFCR22363 SKFCR20x47x7CRW1R SKFCR54300 SKFLM377449/410 SKFNU2206ECML* SKFOKC270 SKFQJ212N2MA SKFUELP207

22234CCK/W33+AH3134G*球面滚子轴承近似的SKF轴承型号

SKF22234-2CS5K/VT143* SKF22234-2CS5/VT143* SKF22234CCK/W33+H3134* SKF22234CCK/W33+AH3134G* SKF22234CCK/W33* SKF22234CC/W33* SKF22234CCK/W33* SKF22234CCK/W33+H3134*

用户关注最多的轴承狗热门型号

NSK  239/630E4 FAG  ZRB38X38-QP FAG  51248-MP 国产  626-Z KOYO  7007C/DT FAG  NUP303-E-TVP2 SKF  SAF22322 LYC  7348 B/P6 SKF  CR2025250 NACHI  H-JLM104948/H-JLM104910 FAG  NU2312-E-TVP2 国产  61901-2RS LYC  22212 C/C3S2 INA  TCJT25-N IKO  ML20

版权所有©2009-2015 轴承狗zcgou.com ICP备案:津ICP备14004550号-13