SKFBTW180CM/SP轴承详细参数

发布时间:2026-05-30
主要数据尺寸 基本负荷额定值 疲劳负荷限值 可达到的速度 体积 型号
动态 静态 疲劳负荷限值 当润滑与
疲劳负荷限值 油脂 滴油润滑
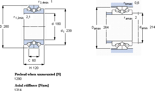
d D H C C C0 Pu
mm kN kN r/min kg -
1802801206019971022,42000260023,0BTW 180 CM/SP

SKFBTW180CM/SP双向角接触推力球轴承BTW系列供应商

八零动力专业销售BTW180CM/SP双向角接触推力球轴承BTW系列,库存SKFBTW180CM/SP大量现货,与SKF合作,咨询热线:022-58519723业务咨询
SKFBTW180CM/SP它的耐用性,让人惊叹不已 是您成功路上的得力助手,它在化工设备中的应用,展现了它的耐腐蚀性 轴承的性能可靠,为机械设备的稳定运行立下汗马功劳优秀的轴承,就像精密仪器的心脏,确保着整个系统的高效运转这轴承的精度控制令人佩服,为设备的精准运行提供了保障,八零动力SKF双向角接触推力球轴承BTW系列品种全,价格优,质量有保证!

用户关注最多的SKF轴承型号

SKF32020X/Q SKF61972 SKFBT4B328203/HA1 SKFCR11730 SKFCR13936 SKFCR20560 SKFCR52475 SKFCR42528 SKFFYR3.15/16-18 SKFGEP560FS SKFS7019CD/HCP4A SKFSDAF22520x3.5/16 SKFSNL3192LTURT SKFSYE2.3/16H SKFSYF45TF

BTW180CM/SP双向角接触推力球轴承BTW系列近似的SKF轴承型号

SKFBTW180CM/SP SKFBTW170CM/SP SKFBTW190CM/SP

用户关注最多的轴承狗热门型号

SKF  R144 NMB  RIF-21/2ZZ NSK  7919A5DB NTN  23232CCK/W33 LYC  6004 2RS C3 NACHI  6218NR RHP  6013-2Z FAG  SNV140-L + 22216-E1-K + H316X212 + DHV516 NACHI  5203NS NTN  NJ2234+HJ2234 FAG  SNV062-L + 1206-K-TVH-C3 + H206X015 + DH506X014 SKF  SNL3084F KOYO  46T32220JR/87 RHP  7026C/DT SKF  NA4905

版权所有©2009-2015 轴承狗zcgou.com ICP备案:津ICP备14004550号-13