


八零动力专业销售THKRSR 12M1NLM滚动导轨,库存RSR 12M1NLM滚动导轨,与THK公司常年批量订购RSR 12M1N,咨询热线:022-58519723![]()
THK RSR12VMUU+120LM THK RSR12ZMUU+195LM THK RSR 12M1WV THK RSR 12WN THK RSR12VMUU+320LM THK RSR12WZMUU+390LM THK RSR12ZMUU+370LM THK RSR12WNUU+190LM THK RSR12NUU+220LM THK RSR 12N
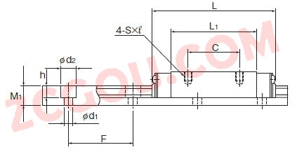
THKRSR 12M1N 承载重托精准运转我们的轴承卓越的性能为设备的精确运行提供了保障,该轴承的精度控制精准,为设备的精确运行提供了保障高精度的轴承,为设备的稳定运行提供了坚实保障它的加工精度,确保了机械运转的稳定性 它的抗变形能力,让它在高负载下依然保持形状 它的轴向游隙控制,精准到令人惊叹 它在船舶工业中的应用,展现了它的耐腐蚀性 这款轴承的运转十分平稳,几乎感受不到任何震动THKRSR 12M1N主要应用于: 轴承传动,柔性加工,气动控制元件,涂料油漆,电动液压升降平台,粮食检测,机械设备,酿酒设备,滚珠丝杠,液压压床,单臂吊起重葫芦等行业。
SKFSNL3284F TORRINGTON FAFNIR6316-Z STEYR7222B/DB SKFNA4908 RHP6309-2Z FAGBND2215-H-C-Y-BL-S SKFC3096KM+AOHX3096G* SKF61818-RS NSKZM-UCP211-200D1 SKF71918C/DB SKF7004AC/DT NACHINJ304 NTN32060 SKFNU1007ECP SYEYRNU2306E