


八零动力专业销售THKRSR 15M1VLM滚动导轨,库存RSR 15M1VLM滚动导轨,与THK公司常年批量订购RSR 15M1V,咨询热线:022-58519723![]()
THK RSR15WZMUU+230LM THK RSR15VMUU+670LM THK RSR 15M1WV THK RSR15WNUU+190LM THK RSR15WVMUU+790LM THK RSR15WNUU+270LM THK RSR 15WZM THK RSR15ZMUU+390LM THK RSR15VMUU+470LM THK RSR 15N
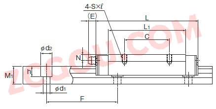
THKRSR 15M1V 稳定持久让您的机械如虎添翼,是您设备高效运转的可靠伙伴,它的滚动体与沟槽的配合,堪称完美 它的加工精度,确保了机械运转的稳定性 它的精密性,让它在高精度设备中无可替代 它在食品机械中的应用,展现了它的卫生性能 先进的制造技术和严格的质量检测,造就了这款优质轴承性能优越的轴承,极大地提升了设备的工作性能和效率这轴承的设计精妙,充分考虑了各种实际应用需求THKRSR 15M1V主要应用于: 立式内拉,镗头镗杆,夹头行业,钢材行业,滚丝机类,勘察配件,高空作业设备,丝锥磨床,染料颜料,继电器类,发动机类等行业。
SKF241/670ECAK30/W33 INABCE89-P NACHIN209 SKFFYRP3.7/16-18 SKFC7016DB/P7 国产N219ETN1 NSK7312BWG LYC6017 ZZ C3 NACHI6910-2NKE 国产352214 DKF7321AC/DB NTN7334B/DT FYHUEL320 AETNU332 国产352040