SKFYET203-010轴承详细参数

发布时间:2026-04-15
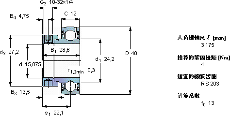
Y-轴承, 带偏心锁定环的, YET 2
主要数据尺寸 基本负荷额定值 疲劳负荷限值 限制速度 体积 型号
动态 静态
d D B1 (B) C C C0 Pu 用于轴公差h6
mm kN kN r/min kg -
15,8754028,6129,564,750,295000,12YET 203-010

SKFYET203-010外球面球轴承Y-轴承供应商

八零动力专业销售YET203-010外球面球轴承Y-轴承,库存SKFYET203-010大量现货,与SKF合作,咨询热线:022-58519723业务咨询
SKFYET203-010它在印刷机械中的应用,展现了它的高精度 它在冶金设备中的应用,确保了设备的高温性能 它的抗磨损涂层,让它更加耐用 它在化工设备中的应用,展现了它的耐腐蚀性 它机械世界的心脏,默默支撑着无数设备的运转 它的质量卓越,为机械设备的安全运行保驾护航,八零动力SKF外球面球轴承Y-轴承品种全,价格优,质量有保证!

用户关注最多的SKF轴承型号

SKF216-2ZNR SKF22215E/W64* SKF22244CCK/W33 SKF7005CD/P4A SKF71916C/DF SKFBSA210CG SKFC39/950MB* SKFCR13845 SKFCR14035 SKFHK3020 SKFNU217ECML* SKFPFT1.1/16WF SKFPWM354130 SKFSYH1.15/16TF SKFYET206-104

YET203-010外球面球轴承Y-轴承近似的SKF轴承型号

SKFYAR203/15-2F SKFYEL211-203-2F SKFYAT203-010 SKFYAT211-203 SKFYAT203-008 SKFYET203/W64 SKFYET211-203 SKFYAR211-203-2FW/VA228 SKFYEL203-010-2F SKFYEL203-010-2FCW SKFYET203-008 SKFYET203/15

用户关注最多的轴承狗热门型号

SKF  24088CACK30/W33 LYC  6048 M FAG  SNV170-L + 22316-E1-K + H2316 + DHV616 RHP  7210C SKF  RNA4903.2RS KOYO  33210 NSK  NJ2226EM SKF  K35x45x30 TIMKEN  462/452DC KOYO  NU2213 SKF  71936C/DF 国产  K65*73*20 SKF  IR35x40x30 IKO  TLA810Z IKO  NART10R

版权所有©2009-2015 轴承狗zcgou.com ICP备案:津ICP备14004550号-13