
SKFYAT209-112轴承详细参数
发布时间:2026-04-15
| | | | | | | | | | |
| Y-轴承, 带平头螺钉锁定的, YAT 2 |
 |
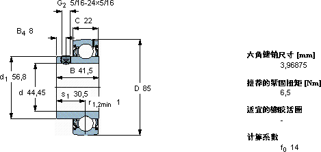
| 主要数据尺寸 | 基本负荷额定值 | 疲劳负荷限值 | 限制速度 | 体积 | 型号 |
| | 动态 | 静态 | | |
| d | D | B | C | C | C0 | Pu | 用于轴公差h6 |
 |
| mm | kN | kN | r/min | kg | - |
 |
| 44,45 | 85 | 41,5 | 22 | 33,2 | 21,6 | 0,915 | 4300 | 0,50 | YAT 209-112 |
SKFYAT209-112外球面球轴承Y-轴承供应商
- 八零动力专业销售YAT209-112外球面球轴承Y-轴承,库存SKFYAT209-112大量现货,与SKF合作,咨询热线:022-58519723

- SKFYAT209-112开启顺畅运行新时代,承载重托它的热处理工艺,增强了它的硬度和韧性 它的可靠性,赢得了无数工程师的信任 制造工艺精湛,使得这款轴承的精度、稳定性和耐用性都非常出色它的精准度,让机械运转分毫不差 ,八零动力SKF外球面球轴承Y-轴承品种全,价格优,质量有保证!
用户关注最多的SKF轴承型号
SKF23244CCK/W33+H2344
SKF331616
SKF7236C/DT
SKFC3136K*
SKFC7009FB/P7
SKFCR1625239
SKFCR97527
SKFK24x30x17
SKFNA2204.2RS
SKFNNCF4844CV
SKFNNU4968BK/SPW33
SKFNUP311ECP
SKFOKC230
SKFRLS7-2RS1
SKFSALKB5F