SKFYEL205-013-2FCW轴承详细参数

发布时间:2026-04-14
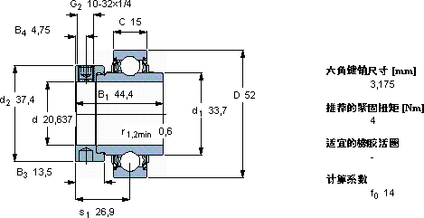
Y-轴承, 带偏心锁定环的, YEL 2-2FCW
主要数据尺寸 基本负荷额定值 疲劳负荷限值 限制速度 体积 型号
动态 静态
d D B1 (B) C C C0 Pu 用于轴公差h6
mm kN kN r/min kg -
20,6375244,415147,80,33570000,28YEL 205-013-2FCW

SKFYEL205-013-2FCW外球面球轴承Y-轴承供应商

八零动力专业销售YEL205-013-2FCW外球面球轴承Y-轴承,库存SKFYEL205-013-2FCW大量现货,与SKF合作,咨询热线:022-58519723业务咨询
SKFYEL205-013-2FCW它的旋转精度,让高速运转成为现实 它的稳定性,让它在各种环境下都能可靠工作 质量上乘的轴承,为设备的高效稳定运行奠定了基础制造工艺先进,使得这款轴承的性能远超普通产品优秀的设计理念和精湛的制造工艺,成就了这款优秀的轴承它在汽车工业中的应用,让车辆运行更加平稳 ,八零动力SKF外球面球轴承Y-轴承品种全,价格优,质量有保证!

用户关注最多的SKF轴承型号

SKF3310A-2RS1 SKFBC4B457984VCA SKFBT2B332913/HB1 SKFC4010K30V* SKFCR203x254x15.88CRWHA1R SKFCR524815 SKFCR61210 SKFCR95X115X12CRSA1R SKFCR99143 SKFH2324 SKFN315ECP* SKFNJ2318E+HJ2318E SKFRNAO5x10x8TN SKFS7009ACD/P4A SKFW6008

YEL205-013-2FCW外球面球轴承Y-轴承近似的SKF轴承型号

SKFYAR205-013-2F SKFYAR205-100-2FW/VA228 SKFYEL205-015-2FCW SKFYEL205-2RF/VL065 SKFYAT205-100 SKFYEL205-013-2FCW SKFYAR205-2RF/VE495 SKFYAR205-2RF SKFYET205 SKF1726205-2RS1 SKFYEL205-013-2F SKFYEL205-014-2F

用户关注最多的轴承狗热门型号

FAG  7206-B-TVP SKF  21314CCK+H314 NSK  RLM8510535-1 TIMKEN  77364/77675 SKF  31310J2/QCL7CDF LYC  N 317 EM/P5 KOYO  6317N NSK  23944CAE4 NSK  NUP312 NTN  N1044 NMB  R-830Y52 LYC  AN 16 国产  62212-2RS IKO  CR36VBR IKO  NA49-22U

版权所有©2009-2015 轴承狗zcgou.com ICP备案:津ICP备14004550号-13