SKFYEL205-015-2FCW轴承详细参数

发布时间:2026-05-30
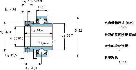
Y-轴承, 带偏心锁定环的, YEL 2-2FCW
主要数据尺寸 基本负荷额定值 疲劳负荷限值 限制速度 体积 型号
动态 静态
d D B1 (B) C C C0 Pu 用于轴公差h6
mm kN kN r/min kg -
23,8135244,415147,80,33570000,24YEL 205-015-2FCW

SKFYEL205-015-2FCW外球面球轴承Y-轴承供应商

八零动力专业销售YEL205-015-2FCW外球面球轴承Y-轴承,库存SKFYEL205-015-2FCW大量现货,与SKF合作,咨询热线:022-58519723业务咨询
SKFYEL205-015-2FCW精准承载它的旋转精度,让高速运转成为现实 这轴承的质量过硬,经得起时间和高强度工作的考验它的故障率极低,确保了设备的稳定运行 性能卓越的它,为机械设备的稳定运行提供了可靠保障这款轴承的性能卓越,有效提高了设备的运行可靠性,八零动力SKF外球面球轴承Y-轴承品种全,价格优,质量有保证!

用户关注最多的SKF轴承型号

SKF23022CC/W33* SKF3222 SKF510/630F SKF618/800 SKFAXW17 SKFCR12X19X5HMS5RG SKFCR30X46X7HMS5V SKFCR43150 SKFCR85X130X12HMSA10V SKFCR8763 SKFHK3024.2RS SKFN326ECM* SKFNU1076MA SKFOKC980 SKFQJ207N2MA

YEL205-015-2FCW外球面球轴承Y-轴承近似的SKF轴承型号

SKFYAR205-100-2FW/VA201 SKFYAR205-100-2RF SKFYAR205-2RF/HV SKFYEL205-015-2F SKFYET205/W64 SKFYEL205-013-2FCW SKFYAR205-014-2F/AH SKFYEL205-014-2FCW SKFYEL205-100-2F SKFYET205-013 SKFYEL205-015-2F SKFYEL205-100-2F

用户关注最多的轴承狗热门型号

NTN  NJ2226 ASAHI  UC210 NTN  7918CDT MAC  NJ2206 BARDEN  7220AC/DF KOYO  313822 NTN  23272B SKF  NCF1884V KOYO  6022 国产  51100 NTN  7916DB NTN  NUP2324E LYC  29264 FAG  SNV190-L + 22318-E1-K + H2318X303 + FSV518X303 IKO  LBD8UU

版权所有©2009-2015 轴承狗zcgou.com ICP备案:津ICP备14004550号-13