SKFYEL205-2F轴承详细参数

发布时间:2026-04-14
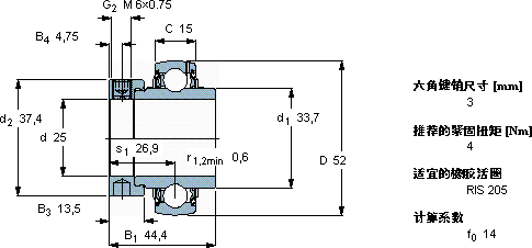
Y-轴承, 带偏心锁定环的, YEL 2-2F
主要数据尺寸 基本负荷额定值 疲劳负荷限值 限制速度 体积 型号
动态 静态
d D B1 (B) C C C0 Pu 用于轴公差h6
mm kN kN r/min kg -
255244,415147,80,33570000,24YEL 205-2F

SKFYEL205-2F外球面球轴承Y-轴承供应商

八零动力专业销售YEL205-2F外球面球轴承Y-轴承,库存SKFYEL205-2F大量现货,与SKF合作,咨询热线:022-58519723业务咨询
SKFYEL205-2F它的制造工艺,堪称工业艺术的典范 就是选择高效与可靠我们的轴承卓越的性能它的耐高温性能,减少了冷却系统的能耗 它的精密设计,展现了人类智慧的巅峰 它的耐腐蚀性,让它经久不衰 ,八零动力SKF外球面球轴承Y-轴承品种全,价格优,质量有保证!

用户关注最多的SKF轴承型号

SKF51105V/HR22T2 SKF71932AC SKFAS7095 SKFCR135x162x13CRSA1R SKFCR145X164X14CRSA1R SKFCR36x65x8CRW1R SKFCR400200 SKFCR592626 SKFCR9838 SKFEE243196AX/243250 SKFNCF1852V SKFNU2317ECM* SKFSNL3180FTURT SKFSNL3264GL SKFW638/8-2Z

YEL205-2F外球面球轴承Y-轴承近似的SKF轴承型号

SKFYAR205-014-2F/AH SKFYAR205-2F SKFYAR205-100-2FW/VA228 SKFYET205-014 SKFYAR205-100-2RF SKFYAR205-015-2F/AH SKFRIS205 SKFYEL205-014-2FCW SKFYET205-014CW SKFYET205-100 SKFYEL205-100-2FCW SKFYEL205-2RF/VL065

用户关注最多的轴承狗热门型号

NACHI  7003DT SKF  GS81140 NACHI  SN224C TIMKEN  EE291175/291750 SKF  SYR1.15/16H KOYO  23012RS SKF  CR50X65X10HMS5RG INA  RRY30-VA SKF  CR11066 FAG  SNV120-L + 2311-TVH + TSV311 SKF  7222BECBY MRC  7322AC 国产  E20 TORRINGTON  29348 TORRINGTON&FAFNIR  6007-2Z

版权所有©2009-2015 轴承狗zcgou.com ICP备案:津ICP备14004550号-13