SKFRSTO35轴承详细参数

发布时间:2026-04-14
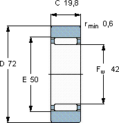
不带法兰圈支承滚子,无内圈
尺寸 基本负荷额定值 疲劳限值 最大径向负荷 限制速度 体积 型号
动态 静态 动态 静态
D Fw C C C0 Pu Fr F0r
mm kN kN kN r/min kg -
724219,824,6394,8365122000,38RSTO 35

SKFRSTO35滚轮轴承供应商

八零动力专业销售RSTO35滚轮轴承,库存SKFRSTO35大量现货,与SKF合作,咨询热线:022-58519723业务咨询
SKFRSTO35它的耐用性,让人惊叹不已 它的质量过硬,为机械设备的高效、安全、稳定运行 它的模块化设计,让安装和更换变得轻松便捷 成就非凡转动体验让您的设备一顺到底,它在机器人领域的应用,展现了它的高精密性 每一次旋转,都是品质的见证,,八零动力SKF滚轮轴承品种全,价格优,质量有保证!

用户关注最多的SKF轴承型号

SKF39590/39528/Q SKF53217U SKF7222AC/DB SKFC2230K* SKFC3992KMB+OH3992HE* SKFCR12610 SKFCR525637 SKFCR6386 SKFGS81128 SKFHMVC80E SKFNCF2920CV SKFNX25Z SKFSC71915FB/P7 SKFT7FC050/QCL7C SKFWS811/530

RSTO35滚轮轴承近似的SKF轴承型号

SKFPWKR35.2RS SKFNNTR120x290x135.2ZL SKFNUKR35A SKFKR35PPA SKFSTO35 SKFNUTR35A SKFNUTR3580A SKFKRV35PPA SKFPWTR3580.2RS SKFPWKRE35.2RS SKFRSTO30 SKFRSTO40

用户关注最多的轴承狗热门型号

RHP  2302 SKF  BT4B328870EX1/C480* KOYO  NJ413+HJ413 NSK  CM-UCP209-112D1 FAG  NJ326-E-TVP2 SKF  CR19010 SKF  TVN314WA FAG  SNV120-L + 20213-K-TVP-C3 + H213X206 + TSV513 FAG  SNV250-L + 23228-E1-K-TVPB + H2328X500 + TSV528X50 KOYO  NF205 TORRINGTON  22226CCK/W33 INA  ZKLN1747-2RS-PE SNR  2216K+H316 NTN  23052BK+AH3052 IKO  LWES15.../U

版权所有©2009-2015 轴承狗zcgou.com ICP备案:津ICP备14004550号-13