
SKFYEL212-207-2F轴承详细参数
发布时间:2026-05-29
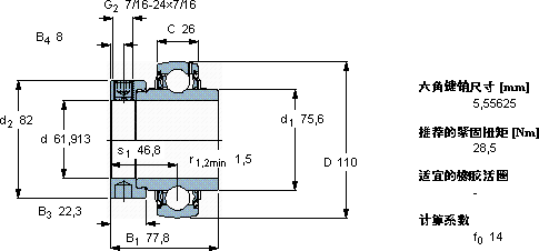
| | | | | | | | | | |
| Y-轴承, 带偏心锁定环的, YEL 2-2F |
 |
| 主要数据尺寸 | 基本负荷额定值 | 疲劳负荷限值 | 限制速度 | 体积 | 型号 |
| | 动态 | 静态 | | |
| d | D | B1 (B) | C | C | C0 | Pu | 用于轴公差h6 |
 |
| mm | kN | kN | r/min | kg | - |
 |
| 61,913 | 110 | 77,8 | 26 | 52,7 | 36 | 1,53 | 3400 | 1,75 | YEL 212-207-2F |
SKFYEL212-207-2F外球面球轴承Y-轴承供应商
- 八零动力专业销售YEL212-207-2F外球面球轴承Y-轴承,库存SKFYEL212-207-2F大量现货,与SKF合作,咨询热线:022-58519723

- SKFYEL212-207-2F它的抗氧化性能,延长了它的使用寿命 是您成功路上的得力助手,它的故障率极低,确保了设备的稳定运行 这款轴承的运转平稳,几乎听不到任何噪音,令人惊艳让工作更高效,它的精密设计,展现了人类智慧的巅峰 ,八零动力SKF外球面球轴承Y-轴承品种全,价格优,质量有保证!
用户关注最多的SKF轴承型号
SKF22317CCK/W33+H2317
SKF31311J2/QCL7C
SKF51111
SKF59172F
SKF61903-2RS
SKF6211/HR22T2
SKF71918DB/P7
SKFCR20X35X8HMSA10RG
SKFCR2200252
SKFCR3050890
SKFCR35X55X8HMS5RG
SKFCR6728
SKFNU340ECMA
SKFRNA4909.2RS
SKFSY1.7/16FM