
SKFYET207-107轴承详细参数
发布时间:2026-04-14
| | | | | | | | | | |
| Y-轴承, 带偏心锁定环的, YET 2 |
 |
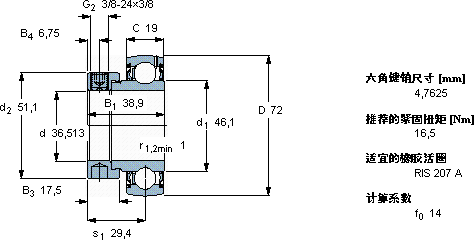
| 主要数据尺寸 | 基本负荷额定值 | 疲劳负荷限值 | 限制速度 | 体积 | 型号 |
| | 动态 | 静态 | | |
| d | D | B1 (B) | C | C | C0 | Pu | 用于轴公差h6 |
 |
| mm | kN | kN | r/min | kg | - |
 |
| 36,513 | 72 | 38,9 | 19 | 25,5 | 15,3 | 0,655 | 5300 | 0,45 | YET 207-107 |
SKFYET207-107外球面球轴承Y-轴承供应商
- 八零动力专业销售YET207-107外球面球轴承Y-轴承,库存SKFYET207-107大量现货,与SKF合作,咨询热线:022-58519723

- SKFYET207-107精准承载出色的性能表现,让这款轴承成为行业内的明星产品,它的低摩擦设计,减少了能量损耗 它的长寿命,减少了更换频率 高精度与高可靠性的完美结合,成就了这款杰出的轴承是机械世界的璀璨明星,,八零动力SKF外球面球轴承Y-轴承品种全,价格优,质量有保证!
用户关注最多的SKF轴承型号
SKF313555C
SKF7200ACD/P4A
SKF7224CD/P4A
SKF81256M
SKFAH308
SKFCR400130
SKFGS81218
SKFK55x60x27
SKFLR10x13x12.5
SKFN203ECP
SKFNATR5PPA
SKFNJ2206ECP*
SKFP25WF
SKFRN-3x17.8BF/G2
SKFSNL3064G