SKFW17轴承详细参数

发布时间:2026-04-14
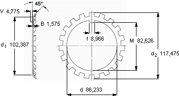
W锁紧垫圈, 英制尺寸
尺寸 体积 型号
锁紧垫圈 适宜的锁定螺母
d d2 B
mm kg -
86,233117,4751,5750,057W 17AN 17

SKFW17轴承附件供应商

八零动力专业销售W17轴承附件,库存SKFW17大量现货,与SKF合作,咨询热线:022-58519723业务咨询
SKFW17它的轻量化设计,减少了运输成本 它在建筑机械中的应用,确保了设备的可靠性 卓越的设计和可靠的性能,是这款轴承的两大亮点轴承的耐用性强,减少了设备的停机维护时间为设备的精确运行提供了保障,该轴承的精度控制精准,为设备的精确运行提供了保障质量无可挑剔的轴承,为设备的高效运作提供了有力支持,八零动力SKF轴承附件品种全,价格优,质量有保证!

用户关注最多的SKF轴承型号

SKF47487/47420A/Q SKF626* SKF5213A SKF6201/HR22T2 SKF71928ACD/HCP4A SKF81118TN SKFCR1160x1200x18HS8R SKFCR20X40X7HMSA10RG SKFCR22033 SKFCR26124 SKFCR92534 SKFFYTM1.7/16TF SKFN1009KTNHA/HC5SP SKFPCZ1014B SKFSDAF23164KAx11.15/16

W17轴承附件近似的SKF轴承型号

SKFKMTA17 SKFAHX317/75 SKFOH3172H SKFAOH3176G SKFSNW17x3 SKFAN17 SKFOH3176HE SKFSNP3192x17 SKFAOH3172G SKFM17x1 SKFW16 SKFW18

用户关注最多的轴承狗热门型号

NTN  6320 MRC  7228B/DT SNR  7228AC/DT SKF  CR401606 SNR  6013-Z FAG  LOE624-N-BF-L NACHI  N1009 SKF  YAR209-2FW/VA228 NTN  61900-ZN INA  HK1214-2RS SKF  SYR1.7/16N INA  HK1612 NSK  70BER29XV1V NACHI  63/28ZE SKF  51322M

版权所有©2009-2015 轴承狗zcgou.com ICP备案:津ICP备14004550号-13