
SKFHMVC17E轴承详细参数
发布时间:2026-05-30
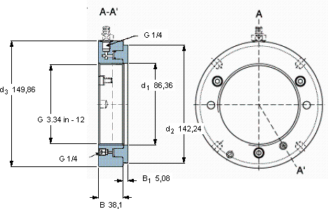
| | | | | | | | | | | | |
| Hydraulic nuts, inch sizes |
|  |
| 螺纹尺寸 | 尺寸 | Permitted | Piston area | 体积 | 型号 |
| | | | | | | | piston | | | | |
| | G | d1 | d2 | d3 | B | B1 | displacement | | | | |
|  |
| mm | mm (metric sizes) | mm | mm | mm2 (metric sizes) | kg | - |
| | in - threads/in (inch sizes) | | | | | | | in2 (inch sizes) | | | |
|  |
| 83,462 | 3.34 in - 12 | 86,36 | 142,24 | 149,86 | 38,1 | 5,08 | 5,08 | 6,8 | 8,3 | HMVC 17E | - |
SKFHMVC17E轴承附件供应商
- 八零动力专业销售HMVC17E轴承附件,库存SKFHMVC17E大量现货,与SKF合作,咨询热线:022-58519723

- SKFHMVC17E这款轴承的运转平稳,几乎听不到任何噪音,令人惊艳轴承的耐用性极佳,能够承受高强度的工作负荷它的精密性,让它在高精度设备中无可替代 是机械世界的璀璨明星,它的质量过硬,为机械设备的高效、安全运行提供了保障设计独特的轴承,不仅性能优越,还具有很高的性价比,八零动力SKF轴承附件品种全,价格优,质量有保证!
用户关注最多的SKF轴承型号
SKF29416E*
SKF52310
SKF7017CD/HCP4A
SKF7305B/DF
SKFBTM65A/HCP4CDBB
SKFCR20X40X7HMSA10RG
SKFCR401991
SKFCR85X105X12HMSA10RG
SKFCR86562
SKFNNCF4926CV
SKFPCMW223801.5E
SKFPFT3/4TR
SKFS7018FB/P7
SKFSAW23538X6.7/8
SKFSDAF23096KAx18