SKFOH3176H轴承详细参数

发布时间:2026-04-14
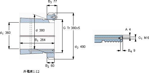
紧定套
尺寸 体积 型号
紧定轴套带螺母 锁定螺母 锁定装置 适宜的液压
d1 d d3 B1 G 和锁紧装置螺母
mm kg -
360380490264Tr 380x561,5OH 3176 HHM 3176MS 3176HMV 76 E

SKFOH3176H轴承附件供应商

八零动力专业销售OH3176H轴承附件,库存SKFOH3176H大量现货,与SKF合作,咨询热线:022-58519723业务咨询
SKFOH3176H它的设计巧妙,在保证性能的同时,还兼顾了安装的便捷性卓越的性能表现,使这款轴承在市场上拥有良好的口碑机械的心脏它的每一次转动,都是对精准度的极致追求 它在汽车工业中的应用,让车辆运行更加平稳 它的热处理工艺,增强了它的硬度和韧性 ,八零动力SKF轴承附件品种全,价格优,质量有保证!

用户关注最多的SKF轴承型号

SKF2206E-2RS1TN9 SKF53306U SKF6305N* SKF71805ACD/P4 SKF7224AC/DB SKF7311BEY SKF7311BEGCY SKFCR17921 SKFGEZM308ES SKFIR35x40x30 SKFIR45x55x20IS1 SKFNJ205ECJ SKFNJ2318E SKFNNCF5004CV SKFPWM607040

OH3176H轴承附件近似的SKF轴承型号

SKFMS3176 SKFAOH3176G SKFOH3176H SKFHM3176 SKFOH3176HE SKFSNP3176x13.15/16 SKFOH3172HE SKFOH3176HE

用户关注最多的轴承狗热门型号

FAG  BND3248-H-W-Y-AF-S LYC  NN 3052 K/C2 TIMKEN  H414235/H414210-B LYC  LY-Q036 LYC  NU 222 M/C3 NSK  23096CAME4 KOYO  6200-RZ LYC  6003 E-RZ SKF  NN3064K/W33 SNR  607-2RS NTN  NJ309 LYC  787/1430 NTN  NN3006K KOYO  2318K INA  PAF35260-P14

版权所有©2009-2015 轴承狗zcgou.com ICP备案:津ICP备14004550号-13