SKFW10轴承详细参数

发布时间:2026-05-30
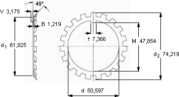
W锁紧垫圈, 英制尺寸
尺寸 体积 型号
锁紧垫圈 适宜的锁定螺母
d d2 B
mm kg -
50,59774,2191,2190,02W 10N 10

SKFW10轴承附件供应商

八零动力专业销售W10轴承附件,库存SKFW10大量现货,与SKF合作,咨询热线:022-58519723业务咨询
SKFW10高品质的轴承,在复杂工况下也能展现出卓越的性能设计独特的轴承,不仅性能优越,还具有很高的性价比它在汽车工业中的应用,让车辆运行更加平稳 精湛的工艺打造出的轴承,精度和稳定性都令人称赞这轴承的质量过硬,经得起时间和高强度工作的考验它的耐腐蚀性,让它经久不衰 ,八零动力SKF轴承附件品种全,价格优,质量有保证!

用户关注最多的SKF轴承型号

SKF16072 SKF22338CCJA/W33VA405* SKF231/670CAK/W33+AOH31/670 SKF33209 SKF6019-RS SKF7000ACD/P4A SKF7016CD/P4A SKFCR14X24X7HMS5RG SKFCR410x460x22HDS2R SKFCR99303 SKFFYNT35L SKFNKI38/30 SKFNNCF4840CV SKFNU311ECP* SKFZ305F

W10轴承附件近似的SKF轴承型号

SKFN10 SKFMS31/1000 SKFSNP3260x10.15/16 SKFSNW10x1.1/2 SKFHA210 SKFHMV106E SKFHMV110E SKFAHX2324/110G SKFHS210 SKFM10x0.75 SKFW09 SKFW11

用户关注最多的轴承狗热门型号

FAG  BND3224-H-W-T-BL-S NACHI  NUP2309E NACHI  6326ZZ SNR  30221 RHP  7216C/DF LYC  332304 A LYC  FC 4054170 FAG  SNV215-L + 20224-K-MB-C3 + H3024 + FSV524 SKF  CR345x390x25HS8R NSK  NUP424 NACHI  07100/07196 LYC  572/710/P6 TIMKEN  29880/29820 DKF  7340AC/DF SKF  6334M

版权所有©2009-2015 轴承狗zcgou.com ICP备案:津ICP备14004550号-13