
SKFHMVC106E轴承详细参数
发布时间:2026-04-14
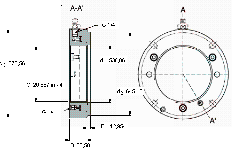
| | | | | | | | | | | | |
| Hydraulic nuts, inch sizes |
|  |
| 螺纹尺寸 | 尺寸 | Permitted | Piston area | 体积 | 型号 |
| | | | | | | | piston | | | | |
| | G | d1 | d2 | d3 | B | B1 | displacement | | | | |
|  |
| mm | mm (metric sizes) | mm | mm | mm2 (metric sizes) | kg | - |
| | in - threads/in (inch sizes) | | | | | | | in2 (inch sizes) | | | |
|  |
| 526,339 | 20.867 in - 4 | 530,86 | 645,16 | 670,56 | 68,58 | 12,954 | 21,082 | 87,1 | 174 | HMVC 106E | - |
SKFHMVC106E轴承附件供应商
- 八零动力专业销售HMVC106E轴承附件,库存SKFHMVC106E大量现货,与SKF合作,咨询热线:022-58519723

- SKFHMVC106E轴承的精度和稳定性都达到了行业顶尖水平优秀的设计和卓越的性能,让这款轴承备受青睐它机械世界的心脏,默默支撑着无数设备的运转 高精度与高可靠性的完美结合,成就了这款杰出的轴承它的多样化应用,展现了它的无限可能 它的加工精度,确保了机械运转的稳定性 ,八零动力SKF轴承附件品种全,价格优,质量有保证!
用户关注最多的SKF轴承型号
SKF2x7320BECBY
SKF318
SKF6312-RS1*
SKF7313BECBM
SKFBK4012
SKFBT2B328410C/HA1
SKFC2216K+H316E*
SKFCR100051
SKFCR1500558
SKFCR20X47X7HMSA10V
SKFCR25x52x10HMS4R
SKFCR35X56X10HMSA10V
SKFFY15FM
SKFHM220149/110/Q
SKFS71906ACD/HCP4A