SKFSTO8TN轴承详细参数

发布时间:2026-04-29
不带法兰圈支承滚子,有内圈
尺寸 基本负荷额定值 疲劳限值 最大径向负荷 限制速度 体积 型号
动态 静态 动态 静态
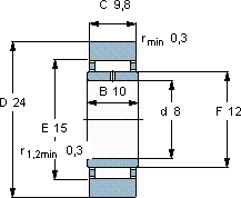
D d C C C0 Pu Fr F0r
mm kN kN kN r/min kg -
2489,84,135,40,67,510,870000,026STO 8 TN

SKFSTO8TN滚轮轴承供应商

八零动力专业销售STO8TN滚轮轴承,库存SKFSTO8TN大量现货,与SKF合作,咨询热线:022-58519723业务咨询
SKFSTO8TN优秀的设计和卓越的性能,让这款轴承备受青睐以精湛工艺它的耐高温性能,减少了冷却系统的能耗 质量上乘的轴承,为设备的高效稳定运行奠定了基础引领行业速度,我们的轴承始终稳如磐石顺滑无声,八零动力SKF滚轮轴承品种全,价格优,质量有保证!

用户关注最多的SKF轴承型号

SKF23060CACK/W33 SKF7019CD/P4A SKF71916C/DT SKF7217AC SKFFSYE2.3/4N SKFFYT1.3/16TF SKFMB11C SKFNCF28/560V SKFNJ2318ECP* SKFNJ2324ECMA SKFPCM505530M SKFSAW23528 SKFSDAF22530 SKFSIL40TXE-2LS SKFYAR213-2RF

STO8TN滚轮轴承近似的SKF轴承型号

SKFNUKR72A SKF305706C-2Z SKFNUTR1542A SKFNATV25 SKFRSTO45 SKFNUKR52A SKFKRV22PPA SKFNA2207.2RS SKFKR47PPA SKFNATR10 SKFSTO6TN SKFSY1.11/16FM

用户关注最多的轴承狗热门型号

SKF  7309BECBY SKF  6307/HR11TN SKF  IR45x55x20IS1 INA  RCSMB17/65-FA106 SKF  21316CCK INA  PSHEY45 LYC  NUP 307 ENV/C9 SKF  1202ETN9 SKF  HCRE090R TIMKEN  HMV-134 TORRINGTON  23220CCK/W33+H2320 SKF  SY1.3/16PF/AH KOYO  270FC175110 KOYO  23972R 国产  N2315M

版权所有©2009-2015 轴承狗zcgou.com ICP备案:津ICP备14004550号-13