SKFRSTO12轴承详细参数

发布时间:2026-04-14
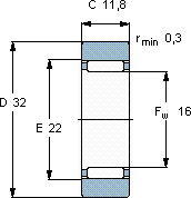
不带法兰圈支承滚子,无内圈
尺寸 基本负荷额定值 疲劳限值 最大径向负荷 限制速度 体积 型号
动态 静态 动态 静态
D Fw C C C0 Pu Fr F0r
mm kN kN kN r/min kg -
321611,88,89,81,188,31256000,049RSTO 12

SKFRSTO12滚轮轴承供应商

八零动力专业销售RSTO12滚轮轴承,库存SKFRSTO12大量现货,与SKF合作,咨询热线:022-58519723业务咨询
SKFRSTO12它的尺寸精度,达到了微米级的极致 这轴承的设计简直精妙绝伦,每一处细节都彰显着极致的工艺美学它的品质卓越,是提升机械设备整体性能的关键所在高品质的轴承,在各种复杂工况下都能展现出卓越的性能表现您值得拥有品质卓越的它,为机械设备的稳定、高效运行提供了支持,八零动力SKF滚轮轴承品种全,价格优,质量有保证!

用户关注最多的SKF轴承型号

SKF241/530ECAK30/W33* SKF3308DMA SKFBK2012 SKFCR100x127x11.13CRWH1R SKFCR60650 SKFCR99525 SKFKMFE36 SKFNJ2307E+HJ2307E SKFNNU4124K30M/W33 SKFP80R-35WF SKFPCM455050E SKFS71912DB/P7 SKFSAF22613x2.1/8 SKFSIL50ES-2RS SKFSYL3/4TH

RSTO12滚轮轴承近似的SKF轴承型号

SKF361205R SKF361200R SKFNATV12PPA SKFNATR12PPA SKFNATV12 SKF361201R SKF361204R SKF361207R SKFNNTR120x290x135.2ZL SKF361202R SKFRSTO10 SKFRSTO15

用户关注最多的轴承狗热门型号

NTN  23296BK NSK  7214CDF TIMKEN  560/552D INA  GS81106 LYC  7204 C/P4 FAG  SNV200-L + 22319-E1-K + H2319X306 + TSV619X306 LYC  NJ 1052 KOYO  47244 国产  UCFC209 NACHI  SN613E LYC  30324 STEYR  NJ304E SKF  MS3060 NSK  NUP2222M TIMKEN  L319249/L319210

版权所有©2009-2015 轴承狗zcgou.com ICP备案:津ICP备14004550号-13