
SKFSTO6TN轴承详细参数
发布时间:2026-04-30
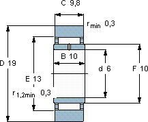
| | | | | | | | | | | |
| 不带法兰圈支承滚子,有内圈 |
 |
| 尺寸 | 基本负荷额定值 | 疲劳限值 | 最大径向负荷 | 限制速度 | 体积 | 型号 |
| | | | | |
| | 动态 | 静态 | | 动态 | 静态 |
| D | d | C | C | C0 | Pu | Fr | F0r |
 |
| mm | kN | kN | kN | r/min | kg | - |
 |
| 19 | 6 | 9,8 | 3,74 | 4,5 | 0,5 | 4,25 | 6,1 | 7000 | 0,017 | STO 6 TN |
SKFSTO6TN滚轮轴承供应商
- 八零动力专业销售STO6TN滚轮轴承,库存SKFSTO6TN大量现货,与SKF合作,咨询热线:022-58519723

- SKFSTO6TN从制造工艺到实际性能,这款轴承都表现得十分出色,是机械世界的璀璨明星,转动精彩它的模块化设计,让安装和更换变得轻松便捷 它在纺织机械中的应用,确保了设备的高速运转 它的高效率,减少了能源消耗 ,八零动力SKF滚轮轴承品种全,价格优,质量有保证!
用户关注最多的SKF轴承型号
SKF31308J2/QCL7C*
SKF2x7206BECAP*
SKF6212-2Z*
SKF7026ACD/P4A
SKFAH314G
SKFNAO6x17x10TN
SKFNAO90x120x30
SKFNF310ECP*
SKFNN3056/SPW33
SKFNNC4926CV
SKFCR 85629
SKFOKBS53
SKFPCM15015560B
SKFSALKAC18M
SKFSY50PF