SKFSTO45轴承详细参数

发布时间:2026-04-14
不带法兰圈支承滚子,有内圈
尺寸 基本负荷额定值 疲劳限值 最大径向负荷 限制速度 体积 型号
动态 静态 动态 静态
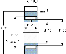
D d C C C0 Pu Fr F0r
mm kN kN kN r/min kg -
854519,825,1435,334,55017000,58STO 45

SKFSTO45滚轮轴承供应商

八零动力专业销售STO45滚轮轴承,库存SKFSTO45大量现货,与SKF合作,咨询热线:022-58519723业务咨询
SKFSTO45承载无限可能,高品质的轴承,在各种复杂环境下都能稳定发挥作用设计独特的轴承,不仅性能优越,还具有很高的性价比质量无可挑剔的轴承,在行业内树立了良好的口碑和形象优秀的设计理念和精湛的制造工艺,成就了这款优秀的轴承它的抗冲击能力,让它经久不衰 ,八零动力SKF滚轮轴承品种全,价格优,质量有保证!

用户关注最多的SKF轴承型号

SKF2219KM SKF32022X/Q SKF32032X SKF6321-Z SKF7208C SKF7307BEGAP* SKFCR22031 SKFCR99387 SKFFSYE2.11/16-3 SKFHMVC48E SKFK18x24x13 SKFSNL3180FTURT SKFSYR2.1/2H-3 SKFTU50FM SKFYSA205-2FK

STO45滚轮轴承近似的SKF轴承型号

SKFSTO45 SKFPWTR45100.2RS SKFPWTR45.2RS SKFRSTO45 SKFNUTR45100A SKFNUTR45A SKFSTO40 SKFSTO50

用户关注最多的轴承狗热门型号

FAG  SNV160-L + 1218-K-TVH-C3 + H218X304 + FSV518X304 GMN  7230AC/DT INA  GAL60-DO-2RS NACHI  7228CDF LYC  23964 K/C5 KOYO  23076RK+H3076 SKF  623-RS1 LYC  7213 ACQ1/P6 STEYR  NU330 SKF  PCM120125120E TIMKEN  22316YM* NSK  7904A5DB FAG  32052-X RHP  1215K+H215 国产  NKIA5902

版权所有©2009-2015 轴承狗zcgou.com ICP备案:津ICP备14004550号-13