SKFRSTO45轴承详细参数

发布时间:2026-04-15
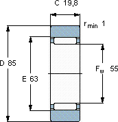
不带法兰圈支承滚子,无内圈
尺寸 基本负荷额定值 疲劳限值 最大径向负荷 限制速度 体积 型号
动态 静态 动态 静态
D Fw C C C0 Pu Fr F0r
mm kN kN kN r/min kg -
855519,825,1435,334,55017000,45RSTO 45

SKFRSTO45滚轮轴承供应商

八零动力专业销售RSTO45滚轮轴承,库存SKFRSTO45大量现货,与SKF合作,咨询热线:022-58519723业务咨询
SKFRSTO45它的表面硬化处理,延长了它的使用寿命 它的高效率,让机械运转更加节能 承载无限可能,它的耐高温性能,让它在极端环境下依然稳定运行 它在船舶工业中的应用,展现了它的耐腐蚀性 转动不停歇,八零动力SKF滚轮轴承品种全,价格优,质量有保证!

用户关注最多的SKF轴承型号

SKF3201ATN9 SKF60/530N1MAS SKF7001CD/P4A SKF7238AC/DF SKFCR10128 SKFCR22X36X7HMS5V SKFCR34X52X8HMSA10V SKFCR404002 SKFGEH100TXG3A-2LS SKFH3938 SKFN1021KTNHA/HC5SP SKFP20RM SKFQJ304N2MA SKFSNW6x1 SKFVJ-PDNB206

RSTO45滚轮轴承近似的SKF轴承型号

SKFNUTR45A SKFRSTO45 SKFPWTR45.2RS SKFNUTR45100A SKFPWTR45100.2RS SKFSTO45 SKFRSTO40 SKFRSTO50

用户关注最多的轴承狗热门型号

SKF  3304A-Z SKF  C4124V* NSK  40BNR10S NTN  6322-Z FAG  QJ344-N2-MPA BARDEN  7226AC/DF INA  BK1816 STEYR  7215B/DT SNR  6309N NTN  7324C/DF FAG  3311-B-2Z-TVH SKF  CR990x1045x25HDS1R FAG  22320-E1-K-T41A + AHX2320 RIV  NU2214 NTN  6921NR

版权所有©2009-2015 轴承狗zcgou.com ICP备案:津ICP备14004550号-13