SKFSTO40轴承详细参数

发布时间:2026-05-30
不带法兰圈支承滚子,有内圈
尺寸 基本负荷额定值 疲劳限值 最大径向负荷 限制速度 体积 型号
动态 静态 动态 静态
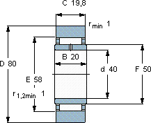
D d C C C0 Pu Fr F0r
mm kN kN kN r/min kg -
804019,823,8394,7534,54919000,53STO 40

SKFSTO40滚轮轴承供应商

八零动力专业销售STO40滚轮轴承,库存SKFSTO40大量现货,与SKF合作,咨询热线:022-58519723业务咨询
SKFSTO40是机械世界的璀璨明星,它的高效率,让机械运转更加节能 转动世界的精密之选,它在矿山设备中的应用,确保了设备的高负载能力 它的加工设备,代表了世界领先水平 它的精准度,让机械运转分毫不差 ,八零动力SKF滚轮轴承品种全,价格优,质量有保证!

用户关注最多的SKF轴承型号

SKF6338M SKF71910FB/P7 SKF7205CD/P4A SKFBTM80A/P4CDBA SKFCR1054.1x1104.9x22.23HDS2R SKFCR13985 SKFCR26X34X4HM4R SKFCR45X62X10HMSA10RG SKFCR48X72X7HMSA10V SKFCR594163 SKFH3134 SKFNKI75/35 SKFPCM303430M SKFSC71909DB/P7 SKFSYE2.11/16H-18

STO40滚轮轴承近似的SKF轴承型号

SKFNATV40PPA SKFNUKR40A SKFSTO40 SKFNNTR100x240x105.2ZL SKFKRV40PPA SKFNUTR4090A SKFKR40B SKFPWTR40.2RS SKFRSTO40 SKFPWKR40.2RS SKFSTO35 SKFSTO45

用户关注最多的轴承狗热门型号

FAG  BND3072-Z-T-BL-S RHP  7210C KOYO  24136RHAK30+AH24136 SKF  6206-RS FAG  31309-A SKF  3213 SKF  331157BG INA  KUVE20-B-N SKF  23164CAC/W33 SKF  NU1084 NTN  239/670 LYC  6310 E/C3 FAG  SNV240-L + 21322-E1-K-TVPB + H322X400 + TCV522X400 SKF  BT4B331809/HA1 SKF  PCM121425E

版权所有©2009-2015 轴承狗zcgou.com ICP备案:津ICP备14004550号-13