SKFSTO12轴承详细参数

发布时间:2026-04-14
不带法兰圈支承滚子,有内圈
尺寸 基本负荷额定值 疲劳限值 最大径向负荷 限制速度 体积 型号
动态 静态 动态 静态
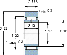
D d C C C0 Pu Fr F0r
mm kN kN kN r/min kg -
321211,88,89,81,188,31256000,057STO 12

SKFSTO12滚轮轴承供应商

八零动力专业销售STO12滚轮轴承,库存SKFSTO12大量现货,与SKF合作,咨询热线:022-58519723业务咨询
SKFSTO12它在轨道交通中的应用,确保了列车的安全运行 它的抗剪切性能,确保了它的结构稳定性 设计合理、性能优良的它,是机械设备稳定运行的重要保障性能优越的轴承,极大地提高了设备的工作效率和稳定性它的可靠性,赢得了无数工程师的信任 就是选择高效与可靠,八零动力SKF滚轮轴承品种全,价格优,质量有保证!

用户关注最多的SKF轴承型号

SKF22340CCJA/W33VA406* SKF52236M SKF6026-2RS1* SKF6202/HR22Q2 SKF6221-2RS SKF7211CD/HCP4A SKFC2206KTN9* SKFC2230K+AHX3130G* SKFCR12530 SKFCR12X22X6HMSA10V SKFN1014KTNHA/HC5SP SKFN1015KPHA/SP SKFNK15/16 SKFNN3008TN/SP SKFS7013CD/HCP4A

STO12滚轮轴承近似的SKF轴承型号

SKFRSTO12 SKF361204R SKF361206R SKF361207R SKFNATR12PPA SKF361205R SKFNATV12PPA SKFNATV12 SKF361201R SKF361202R SKFSTO10 SKFSTO15

用户关注最多的轴承狗热门型号

国产  NU244M LYC  NU 2220 EM TIMKEN  NCF1844V MAC  NJ2218 INA  GAY30-NPP-B INA  IR15X20X13 SNFA  7208C KOYO  F627 NSK  ZM-UCP205-014D1 LYC  1700T-512 MRC  7332AC LYC  22218 C/C4 TORRINGTON  23172CACK/W33 FAG  BND2226-H-W-T-BL-S IKO  AZ457320

版权所有©2009-2015 轴承狗zcgou.com ICP备案:津ICP备14004550号-13