SKFRSTO50轴承详细参数

发布时间:2026-04-15
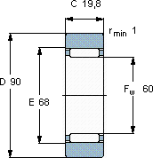
不带法兰圈支承滚子,无内圈
尺寸 基本负荷额定值 疲劳限值 最大径向负荷 限制速度 体积 型号
动态 静态 动态 静态
D Fw C C C0 Pu Fr F0r
mm kN kN kN r/min kg -
906019,82645,55,734,55016000,48RSTO 50

SKFRSTO50滚轮轴承供应商

八零动力专业销售RSTO50滚轮轴承,库存SKFRSTO50大量现货,与SKF合作,咨询热线:022-58519723业务咨询
SKFRSTO50我们的轴承卓越的性能这款轴承的性能卓越,有效提高了设备的运行可靠性它的尺寸一致性,让批量生产成为可能 这轴承的设计巧妙,充分考虑了设备的运行需求和维护便利性先进的制造技术和严格的质量控制,造就了这款优质轴承它的加工精度,确保了机械运转的稳定性 ,八零动力SKF滚轮轴承品种全,价格优,质量有保证!

用户关注最多的SKF轴承型号

SKF23080CACK/W33+H3080 SKF23264CC/W33 SKF305805C-2Z SKFCR120X140X12HMS5V SKFCR46200 SKFCRM18A SKFNNU4140K30M/W33 SKFIR200x220x50 SKFMS31/500 SKFNU2272MA SKFQJ236N2MA SKFS71908DB/P7 SKFSAFC2215 SKFYAT205-100 SKFUELP210

RSTO50滚轮轴承近似的SKF轴承型号

SKFNATR50PPA SKFNNTR60x150x75.2ZL SKFSTO50 SKFPWTR50110.2RS SKFNUTR50110A SKFPWTR50.2RS SKFNUTR50A SKFNATV50PPA SKFNNTR50x130x65.2ZL SKFRSTO50 SKFRSTO45 SKFRSTO5TN

用户关注最多的轴承狗热门型号

LYC  6209 C3 FAG  VRE307-E FAG  22315-E1-T41A TIMKEN  95500/95927CD FAG  N1011-K-M1-SP INA  TKVD19 SKF  NK22/20 SKF  SAF23024KAx4.3/16 SKF  30224J2 SKF  SYH1.1/4ATF/AH NSK  NF418 ZKL  NU2217 NTN  30314 SKF  NJ326E SKF  7204AC/DB

版权所有©2009-2015 轴承狗zcgou.com ICP备案:津ICP备14004550号-13