
SKFRSTO30轴承详细参数
发布时间:2026-04-15
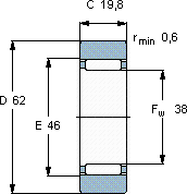
| | | | | | | | | | | |
| 不带法兰圈支承滚子,无内圈 |
 |
| 尺寸 | 基本负荷额定值 | 疲劳限值 | 最大径向负荷 | 限制速度 | 体积 | 型号 |
| | | | | |
| | 动态 | 静态 | | 动态 | 静态 |
| D | Fw | C | C | C0 | Pu | Fr | F0r |
 |
| mm | kN | kN | kN | r/min | kg | - |
 |
| 62 | 38 | 19,8 | 22,9 | 34,5 | 4,25 | 23,6 | 33,5 | 2600 | 0,26 | RSTO 30 |
SKFRSTO30滚轮轴承供应商
- 八零动力专业销售RSTO30滚轮轴承,库存SKFRSTO30大量现货,与SKF合作,咨询热线:022-58519723

- SKFRSTO30它的几何精度,让机械运转分毫不差 没有轴承,现代机械将寸步难行,它的轴向跳动控制,确保了机械的平稳运行 打造出了性能卓越的这款轴承,该轴承的精度控制达到了极致以精湛工艺铸就它的精准度,让机械运转分毫不差 ,八零动力SKF滚轮轴承品种全,价格优,质量有保证!
用户关注最多的SKF轴承型号
SKF1204EKTN9
SKF29230
SKF332171
SKF7044AC/DF
SKF7034AC/DF
SKFC30/530KM+AOH30/530*
SKFCR25X52X8HMS5V
SKFCR27X42X10HMS5V
SKFCR38X62X7HMS5RG
SKFCR50X90X10HMSA10RG
SKFCR526021
SKFCR85X120X12HMSA10RG
SKFNA4900RS
SKFPFT3/4TF
SKFSDAF22320