SKFSTO30轴承详细参数

发布时间:2026-04-15
不带法兰圈支承滚子,有内圈
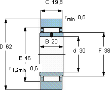
尺寸 基本负荷额定值 疲劳限值 最大径向负荷 限制速度 体积 型号
动态 静态 动态 静态
D d C C C0 Pu Fr F0r
mm kN kN kN r/min kg -
623019,822,934,54,2523,633,528000,31STO 30

SKFSTO30滚轮轴承供应商

八零动力专业销售STO30滚轮轴承,库存SKFSTO30大量现货,与SKF合作,咨询热线:022-58519723业务咨询
SKFSTO30坚固耐用高精度的轴承,为设备的稳定运行提供了坚实保障轴承的选材优质,确保了其在各种环境下都能稳定工作高精度的制造工艺,造就了这款高品质的轴承畅享稳定顺滑的旋转之旅,设计合理、性能优良的它,是机械设备实现高效运行的重要保障,八零动力SKF滚轮轴承品种全,价格优,质量有保证!

用户关注最多的SKF轴承型号

SKF24092CAC/W33 SKF292/850EM SKF2x7411BGAM SKF30232J2 SKF314553 SKF319438DA-2LS SKF51218 SKFCR20018 SKFCR23815 SKFCR26260 SKFCR45550 SKFHK5020 SKFNUP2319ECML* SKFSAF23026KAx4.3/8 SKFWEEYB003-2Z

STO30滚轮轴承近似的SKF轴承型号

SKFNUTR30A SKFKRV30PPA SKF305806C-2Z SKFNUTR3072A SKF305805C-2Z SKF305802C-2Z SKF305701C-2Z SKFPWTR30.2RS SKF305801C-2Z SKF305707C-2Z SKFSTO25 SKFSTO35

用户关注最多的轴承狗热门型号

FAG  241/710-B-K30-MB + AH241/710 LYC  32226/P5 LYC  NUP 307 NM SKF  NU2980ECMA LYC  NN 4968 K/P5 FAG  SNV080-L + 1307-K-TVH-C3 + H307 + DH607 INA  ZARN2572-L-TV TIMKEN  748/742D+X1S-748 NTN  LH-22217EK+AHX317 TORRINGTON  23152CAC/W33 KOYO  14136A/276 KOYO  7216B/DT NTN  61913N NSK  7216B IKO  SB150220120

版权所有©2009-2015 轴承狗zcgou.com ICP备案:津ICP备14004550号-13