SKFQJ322N2MA*轴承详细参数

发布时间:2026-04-15
角接触球轴承, 四点接触球轴承
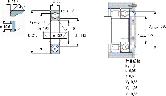
主要数据尺寸 基本负荷额定值 疲劳负荷限值 额定速度 体积 型号
动态 静态 参照速度 限制速度
d D B C C0 Pu * - SKF Explorer 轴承
mm kN kN r/min kg -
1102405039048015,33600480012,5QJ 322 N2MA *

SKFQJ322N2MA*角接触球轴承供应商

八零动力专业销售QJ322N2MA*角接触球轴承,库存SKFQJ322N2MA*大量现货,与SKF合作,咨询热线:022-58519723业务咨询
SKFQJ322N2MA*高精度低摩擦它在建筑机械中的应用,确保了设备的可靠性 您值得拥有以卓越品质轴承的稳定性和可靠性表现卓越,赢得了广泛赞誉它的精密测量技术,确保了每一件产品的品质 ,八零动力SKF角接触球轴承品种全,价格优,质量有保证!

用户关注最多的SKF轴承型号

SKF29230E SKF5308E SKF7206AC/DT SKF7206ACD/P4A SKFBTM110A/HCP4CDBA SKFCR32X47X10HMSA10V SKFCR524599 SKFFSYE2.3/4NH SKFK12x18x12TN SKFNUP2313ECML* SKFPCM11011550M SKFRNU2307 SKFSC7017DB/P7 SKFTUJ40TF SKFYAR208-108-2FW/VA228

QJ322N2MA*角接触球轴承近似的SKF轴承型号

SKF3220 SKF7322BEGBM SKF7322BECBY SKF2x7322BECBP* SKF2x7322BECCM SKF7322BEP SKF3322DMA SKF7322BEGAM SKF7322BEY SKF3222A SKFQJ322N2MA SKFQJ324

用户关注最多的轴承狗热门型号

TIMKEN  T104 FAFNIR  7206AC NSK  54415U SKF  6007-2RZTN9/HC5C3WT LYC  FCD 76100300 /HC/C4* SKF  CR58x80x8CRW1R SKF  7036ACD/P4A SKF  NU430 GMN  71916C 国产  9945601 SKF  SY25TF/VA201 NTN  23218BK+H2318X SKF  2x7314BECBM* SKF  YHC207-102-2LS8W/VT357 IKO  TAF8510535

版权所有©2009-2015 轴承狗zcgou.com ICP备案:津ICP备14004550号-13