SKF21305CC轴承详细参数

发布时间:2026-04-15
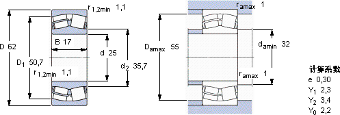
球面滚子轴承, 圆柱和圆锥孔, 圆柱型内孔, 无密封件
主要数据尺寸 基本负荷额定值 疲劳负荷限值 额定速度 体积 型号
动态 静态 参照速度 限制速度
d D B C C0 Pu
mm kN kN r/min kg -
25621741,441,54,558500120000,2821305 CC

SKF21305CC球面滚子轴承供应商

八零动力专业销售21305CC球面滚子轴承,库存SKF21305CC大量现货,与SKF合作,咨询热线:022-58519723业务咨询
SKF21305CC精湛的制造工艺赋予了这款轴承出色的性能和可靠性转动世界的精密之选,运转起来如此顺滑,这款轴承的制造工艺着实令人赞叹这款轴承的精度极高,能够满足对精度要求苛刻的设备有效增强了机械设备的竞争力减少摩擦降低能耗,八零动力SKF球面滚子轴承品种全,价格优,质量有保证!

用户关注最多的SKF轴承型号

SKF368A/362X/Q SKF510/750F SKF6315-RS SKF7000C/DT SKFCR20140 SKFCR28332 SKFCR50X62X7HMS5V SKFFYR1.7/16H-18 SKFGE260ES SKFHM218248/W/2A/210/2A/Q SKFKR16PPA SKFN314ECM* SKFNCF2916CV SKFPCM455030E SKFW619/3-2Z

21305CC球面滚子轴承近似的SKF轴承型号

SKF21305CC SKF21304CCK SKF21305CCK

用户关注最多的轴承狗热门型号

SKF  230/1000CAF/W33 国产  618/6 SKF  SIJ25ES MRC  6221-2Z SKF  W6301 TIMKEN  43096/43319D/X1S-43096 SKF  LM742749/710/VE174 SKF  N096 SKF  NA4916 SKF  CR32385 LYC  787/960G2 SKF  HE219 SKF  609/710MA SKF  CR44X62X10HMSA10RG IKO  TAM1920

版权所有©2009-2015 轴承狗zcgou.com ICP备案:津ICP备14004550号-13