SKF7322BECBY轴承详细参数

发布时间:2026-04-14
角接触球轴承, 单列
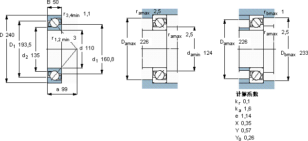
主要数据尺寸 尺寸 [英寸] 疲劳负荷限值 额定速度 体积 型号
动态 静态 参照速度 限制速度
d D B C C0 Pu
mm kN kN r/min kg -
110240502252247,2320032009,697322 BECBY

SKF7322BECBY角接触球轴承供应商

八零动力专业销售7322BECBY角接触球轴承,库存SKF7322BECBY大量现货,与SKF合作,咨询热线:022-58519723业务咨询
SKF7322BECBY先进的制造技术,让这款轴承的质量达到了行业领先水平始终顺滑如初,它的每一次转动,都是对精准度的极致追求 轴承的精度极高,使得设备的运行误差被控制在极小范围内它的耐磨性能,让它在恶劣环境下依然稳定运行 从制造工艺到实际性能,这款轴承都表现得十分出色,,八零动力SKF角接触球轴承品种全,价格优,质量有保证!

用户关注最多的SKF轴承型号

SKF24126-2CS5/VT143* SKF7202BEP SKFCR21759 SKFCR21X35X7HMS5V SKFCR22X36X7HMSA10RG SKFCR260X290X16HDS2D SKFHA209 SKFN328E SKFNCF3064CV SKFNKI20/20 SKFNUTR45A SKFOKC640 SKFPFD1.FM SKFSAA60ES-2RS SKFSAF22234

7322BECBY角接触球轴承近似的SKF轴承型号

SKF2x7322BECBP* SKF7322BEM SKF7322BEGAM SKF7322BECCM SKF7322B/DB SKF7322B SKF7322BECBY SKF7322B/DF SKF2x7322BECCM SKF7322BECBY SKF7322BECBP* SKF7322BECCM

用户关注最多的轴承狗热门型号

NTN  51148 TIMKEN  150RT91 LYC  4952X3D/P6 KOYO  33220 FAG  BND3076-Z-Y-AL-S SKF  GEC440FBAS SKF  CR430x490x25HDS1R TIMKEN  39575/39521 LYC  6207 E-2Z INA  GYE25-KRR-B-VA FYH  UKP210+H2310 FAG  BND3034-H-W-T-AF-S NACHI  30230 FAG  BND2280-H-W-Y-AL-S IKO  RNA4926UU

版权所有©2009-2015 轴承狗zcgou.com ICP备案:津ICP备14004550号-13