SKFQJ317N2MA*轴承详细参数

发布时间:2026-05-30
角接触球轴承, 四点接触球轴承
主要数据尺寸 基本负荷额定值 疲劳负荷限值 额定速度 体积 型号
动态 静态 参照速度 限制速度
d D B C C0 Pu * - SKF Explorer 轴承
mm kN kN r/min kg -
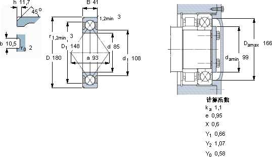
85180412502559,3480067005,45QJ 317 N2MA *

SKFQJ317N2MA*角接触球轴承供应商

八零动力专业销售QJ317N2MA*角接触球轴承,库存SKFQJ317N2MA*大量现货,与SKF合作,咨询热线:022-58519723业务咨询
SKFQJ317N2MA*先进的制造技术,让这款轴承的质量达到了行业领先水平轴承的耐用性超乎想象,有效降低了设备的维护成本引领转动新潮流,它的耐用性,赢得了无数用户的信赖 它的轴向游隙控制,精准到令人惊叹 它在轨道交通中的应用,确保了列车的安全运行 ,八零动力SKF角接触球轴承品种全,价格优,质量有保证!

用户关注最多的SKF轴承型号

SKF21304CC SKF33108/Q SKF53216 SKF6036M SKF71919C/DB SKF71919CD/P4A SKFAH315G SKFCR1100119 SKFCR12X28X7HMS5V SKFCR13867 SKFCR18505 SKFCR70X92X12HMS5RG SKFNCF28/800V SKFPCMW264401.5E SKFSDAF23068

QJ317N2MA*角接触球轴承近似的SKF轴承型号

SKF7317BECBJ SKF7317BECBF SKF2x7317BECBF SKF2x7317BEGAF SKF7317BECBM* SKF7317B/DB SKF7317BECBP* SKF2x7317BEGAP* SKF7317B/DT SKF7317BECCM* SKFQJ317N2MA SKFQJ318

用户关注最多的轴承狗热门型号

NTN  6005N STEYR  63/28N LYC  23948 CA/W33 STEYR  NU2209E SKF  NK50/25 SKF  CR20124 国产  RAN6911 LYC  NJ 313 M NTN  7009C/DF LYC  NNU 664/P5C9 LYC  22224 C/C3 RHP  7009C SKF  CR38X58X10HMS5V FAG  SNV215-L + 23224-E1-K-TVPB + H2324X404 + TSV524X40 IKO  NA6906

版权所有©2009-2015 轴承狗zcgou.com ICP备案:津ICP备14004550号-13