SKFQJ316N2MA*轴承详细参数

发布时间:2026-04-15
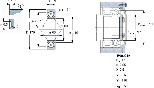
角接触球轴承, 四点接触球轴承
主要数据尺寸 基本负荷额定值 疲劳负荷限值 额定速度 体积 型号
动态 静态 参照速度 限制速度
d D B C C0 Pu * - SKF Explorer 轴承
mm kN kN r/min kg -
80170392322288,65500070004,60QJ 316 N2MA *

SKFQJ316N2MA*角接触球轴承供应商

八零动力专业销售QJ316N2MA*角接触球轴承,库存SKFQJ316N2MA*大量现货,与SKF合作,咨询热线:022-58519723业务咨询
SKFQJ316N2MA*质量上乘的轴承,是提升机械设备性能的关键因素旋转无忧它在汽车工业中的应用,让车辆运行更加平稳 它的抗压强度,让它承载能力惊人 设计合理、性能优良的它,是机械设备实现高效运行的重要保障打造出了性能卓越的这款轴承,该轴承的精度控制达到了极致,八零动力SKF角接触球轴承品种全,价格优,质量有保证!

用户关注最多的SKF轴承型号

SKF353005 SKF51207 SKF7024BGM SKF7207BEGBY SKF7322BEP SKFCR70x85x8CRW1R SKFN1011KPHA/HC5SP SKFN2211 SKFNU320ECM* SKFOKBS129 SKFPCM808560E SKFPCZ2420M SKFS7006DB/P7 SKFS7011ACD/HCP4A SKFSDAF22638x7

QJ316N2MA*角接触球轴承近似的SKF轴承型号

SKF7316BEM SKF7316BEM SKF7316BECBM* SKF7316BEGAM* SKF7316BEP SKF7316BEGAY SKF2x7316BEGAM* SKF7316BECBY SKF2x7316BECCM* SKFQJ316N2MA* SKFQJ316N2MA SKFQJ317

用户关注最多的轴承狗热门型号

NSK  6024 GMN  71901C/DB NTN  7202B GMN  7019AC/DB SKF  CR65x110x10CRW1R LYC  NU 308 L1 SKF  PFD1.1/4AFM FYH  UKK306+H2306 FAG  SNV080-L + 20208-K-TVP-C3 + H208X105 + DH508X104 NSK  LM2015 FAG  SNV180-L + 22220-E1-K + H320X310 + FSV520X310 国产  3819/600X2 TORRINGTON  22210CC/W33 国产  NN3044 FAG  H3064-HG

版权所有©2009-2015 轴承狗zcgou.com ICP备案:津ICP备14004550号-13