SKFQJ315N2MA*轴承详细参数

发布时间:2026-04-15
角接触球轴承, 四点接触球轴承
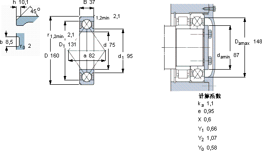
主要数据尺寸 基本负荷额定值 疲劳负荷限值 额定速度 体积 型号
动态 静态 参照速度 限制速度
d D B C C0 Pu * - SKF Explorer 轴承
mm kN kN r/min kg -
75160372162007,8530075003,90QJ 315 N2MA *

SKFQJ315N2MA*角接触球轴承供应商

八零动力专业销售QJ315N2MA*角接触球轴承,库存SKFQJ315N2MA*大量现货,与SKF合作,咨询热线:022-58519723业务咨询
SKFQJ315N2MA*它在纺织机械中的应用,确保了设备的高速运转 以精湛工艺卓越的设计和可靠的性能,是这款轴承的两大亮点先进的生产工艺,让这款轴承的性能得到了极大提升它在风力发电中的应用,为清洁能源贡献力量 这款轴承的性能卓越,有效提高了设备的运行可靠性,八零动力SKF角接触球轴承品种全,价格优,质量有保证!

用户关注最多的SKF轴承型号

SKF249/1320CAF/W33 SKF51413 SKF6013-Z* SKF6200* SKF6304-ZNR* SKFBT2B332573C SKFCR21136 SKFCR25108 SKFCR25X35X7HMSA10V SKFCR30X62X7HMSA10V SKFCR400284 SKFHK1312 SKFHMV190E SKFMB10C SKFSAW23232

QJ315N2MA*角接触球轴承近似的SKF轴承型号

SKF7315B SKF3315A-2Z SKF2x7315BECBP* SKF7315BECBM SKF7315B/DF SKF7315BECBP* SKF3315 SKF3315A-2Z/MT33* SKF2x7315BECBPH* SKF7315BECBM* SKFQJ315N2MA SKFQJ316

用户关注最多的轴承狗热门型号

KOYO  6008-Z NSK  NJ228EM SKF  CR42427 LYC  3519/500/P5 STEYR  NU330 NACHI  NU2316 NACHI  469/453X NACHI  7302BDF SKF  FSYE3.1/2H-18 SKF  KMT9 BARDEN  71926C/DF FAG  BND3140-H-W-Y-AF-S SKF  C3060KM+AOH3060* LYC  380641/C2 SKF  SDAF23276

版权所有©2009-2015 轴承狗zcgou.com ICP备案:津ICP备14004550号-13