SKFQJ304N2MA*轴承详细参数

发布时间:2026-04-15
角接触球轴承, 四点接触球轴承
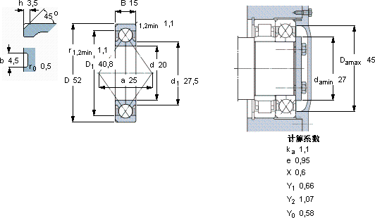
主要数据尺寸 基本负荷额定值 疲劳负荷限值 额定速度 体积 型号
动态 静态 参照速度 限制速度
d D B C C0 Pu * - SKF Explorer 轴承
mm kN kN r/min kg -
2052153221,60,9318000240000,18QJ 304 N2MA *

SKFQJ304N2MA*角接触球轴承供应商

八零动力专业销售QJ304N2MA*角接触球轴承,库存SKFQJ304N2MA*大量现货,与SKF合作,咨询热线:022-58519723业务咨询
SKFQJ304N2MA*它的静音设计,让机械运转如丝般顺滑 这轴承的稳定性极佳,在高速运转时也能保持良好状态卓越的性能表现,使这款轴承在市场上拥有良好的口碑它在家用电器中的应用,让生活更加便捷 它在印刷机械中的应用,展现了它的高精度 卓越的设计和可靠的性能,是这款轴承的两大亮点,八零动力SKF角接触球轴承品种全,价格优,质量有保证!

用户关注最多的SKF轴承型号

SKF21313EK* SKF2x7326BCBM SKF51168 SKF628-2Z* SKF7214BECBP* SKF7226AC/DT SKFCR35X42X4HM4R SKFCR40X72X7HMSA10V SKFCR595485 SKFIR32x40x36 SKFN1014KTN/HC5SP SKFNKX45 SKFOKF250 SKFPFT35FM SKFSDAF23188KAx16.1/2

QJ304N2MA*角接触球轴承近似的SKF轴承型号

SKFQJ304N2PHAS* SKF3304ATN9 SKF2x7304BECBP* SKF7304B/DB SKF7304BEY SKF7304B/DF SKF7304BECBY SKF5304A* SKF2x7304BEGAP* SKF7304BECBM* SKFPWTR50.2RS SKFQJ304N2PHAS*

用户关注最多的轴承狗热门型号

ZKL  NJ215 SNR  6002 LYC  24192 CAK30/C3W33 TIMKEN  HH949549/HH949510DC+HH949549XA SKF  33111/Q NSK  NUP244M NACHI  23134AXW33K NTN  61910N INA  NKS43 SKF  3308DNRCBM LYC  NU 222 EQ1/P53S0 LYC  2787/1400GK1 LYC  6208 E/P63 ZKL  32308 TIMKEN  L521945/L521910D+L521945XA

版权所有©2009-2015 轴承狗zcgou.com ICP备案:津ICP备14004550号-13